电话:0512-66051469
传真:0512-66051489
邮箱:2461896109@qq.com
地址:苏州市吴中区南湖路71号天贸大厦509
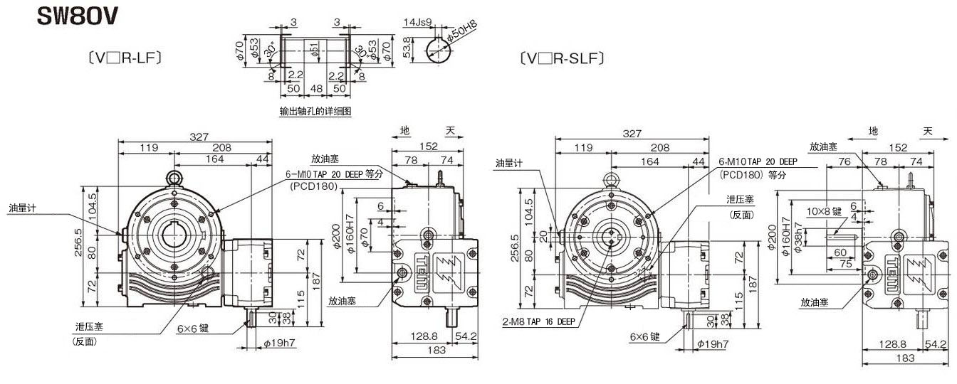
轴上安装·法兰安装的TSUBAKI椿本蜗轮蜗杆减速机型号:SW80V100L-RF
苏州上野机电设备有限公司询价咨询电话:17895046997 刘先生 同微信

蜗杆强力驱动 SW・SWM(R)・SWJ・SWJM(R)系列
采用轴上安装·法兰安装的专用箱体,有助于简化装置。
・传动能力,效率&成本的高度平衡下以确保高精度和紧凑性。
・输出轴提供实心轴·中空轴两种类型。
・还可提供动力锁·锥形套等形式。节约组装工时。
・提供小型~中型尺寸(芯间距离25~200)。
・MR系列符合高能效电机要求。(IE3级别:超高效)

| 减速比 | 输入1750 r/min | 输入1450 r/min | 输入1150 r/min | 输入950 r/min | 输入500 r/min | 输入100 r/min | 大概 质量 kg | ||||||||||||
|---|---|---|---|---|---|---|---|---|---|---|---|---|---|---|---|---|---|---|---|
| 输入 kW | 输出扭矩 | 输入 kW | 输出扭矩 | 输入 kW | 输出扭矩 | 输入 kW | 输出扭矩 | 输入 kW | 输出扭矩 | 输入 kW | 输出扭矩 | ||||||||
| N・m | {kgf・m} | N・m | {kgf・m} | N・m | {kgf・m} | N・m | {kgf・m} | N・m | {kgf・m} | N・m | {kgf・m} | ||||||||
| 100 | 1.032 | 419 | 42.8 | 0.881 | 424 | 43.3 | 0.722 | 430 | 43.9 | 0.612 | 433 | 44.2 | 0.347 | 442 | 45.1 | 0.081 | 449 | 45.8 | 38 |
| N | {kgf} |
|---|---|
| 8849 | 903 |
| N | {kgf} |
|---|---|
| 11956 | 1220 |
| 减 速 部 | 润滑方式 | 油浴方式·注油出货 |
|---|---|---|
| DAPHNE ALPHA OILTE260 | ||
| 键规格 | 新JIS普通 JIS B1301-1976(中实轴部用键一同出货) | |
| 涂装规格 | 蒙塞尔2.5G6/3(绿色) | |
| 底层:清漆类底漆 表层:清漆类涂料 | ||
| 防锈规格 | 防锈期 室内保管6个月(工厂出厂后) | |
| 外部防锈处理:涂抹防锈脂 内部防锈处理:填充润滑油后密封 | ||
| 周 围 条 件 | 设置场所 | 室内 |
| 环境温度 | -10℃~50℃ | |
| 环境湿度 | 95%以下(无结露) | |
| 高 度 | 海拔1000m以下 | |
| 环 境 | 无腐蚀性及爆炸性气体·蒸气及无结露,尘埃少 | |
| 安装方式 | 水平·垂直安装 | |
・高度平衡传动能力与效率&成本。
采用圆柱形蜗轮,利用长年积累的技术追求极致的齿面传动能力,高维度融合效率与成本。

・轴上&法兰安装设计有助于简化装置。
・提供小型~中型尺寸(芯间距离25~200)。
・SWJ系列采用安装方向自由的专用箱体。
SW 系列
| 蜗轮齿轮种类 | 圆柱形蜗轮 | |
|---|---|---|
| 尺寸 | 小型~中型 | |
| 芯间距离 80mm~200mm | ||
| 减速比 | 一级减速 | 1/10~1/60 |
| 高减速比 | 1/100~1/3600 | |
| 扭矩 | 300~5300 N・m | |
SWJ 系列
| 蜗轮齿轮种类 | 圆柱形蜗轮 | |
|---|---|---|
| 尺寸 | 小型 | |
| 芯间距离 25mm~70mm | ||
| 减速比 | 一级减速 | 1/10~1/60 |
| 高减速比 | 1/100~1/3600 | |
| 扭矩 | 12~300 N・m | |
苏州上野机电设备有限公司销售型号如下:
SW80T10SLF
SW80T10SRF
SW80B10SLF
SW80B10SRF
SW80V10SLF
SW80V10SRF
SW80T10LF
SW80T10RF
SW80B10LF
SW80B10RF
SW80V10LF
SW80V10RF
SW80T15SLF
SW80T15SRF
SW80B15SLF
SW80B15SRF
SW80V15SLF
SW80V15SRF
SW80T15LF
SW80T15RF
SW80B15LF
SW80B15RF
SW80V15LF
SW80V15RF
SW80T20SLF
SW80T20SRF
SW80B20SLF
SW80B20SRF
SW80V20SLF
SW80V20SRF
SW80T20LF
SW80T20RF
SW80B20LF
SW80B20RF
SW80V20LF
SW80V20RF
SW80T25SLF
SW80T25SRF
SW80B25SLF
SW80B25SRF
SW80V25SLF
SW80V25SRF
SW80T25LF
SW80T25RF
SW80B25LF
SW80B25RF
SW80V25LF
SW80V25RF
SW80T30SLF
SW80T30SRF
SW80B30SLF
SW80B30SRF
SW80V30SLF
SW80V30SRF
SW80T30LF
SW80T30RF
SW80B30LF
SW80B30RF
SW80V30LF
SW80V30RF
SW80T40SLF
SW80T40SRF
SW80B40SLF
SW80B40SRF
SW80V40SLF
SW80V40SRF
SW80T40LF
SW80T40RF
SW80B40LF
SW80B40RF
SW80V40LF
SW80V40RF
SW80T50SLF
SW80T50SRF
SW80B50SLF
SW80B50SRF
SW80V50SLF
SW80V50SRF
SW80T50LF
SW80T50RF
SW80B50LF
SW80B50RF
SW80V50LF
SW80V50RF
SW80T60SLF
SW80T60SRF
SW80B60SLF
SW80B60SRF
SW80V60SLF
SW80V60SRF
SW80T60LF
SW80T60RF
SW80B60LF
SW80B60RF
SW80V60LF
SW80V60RF
SW80B100L-SRF
SW80B100R-SLF
SW80V100L-SRF
SW80V100R-SLF
SW80B100L-RF
SW80B100R-LF
SW80V100L-RF
SW80V100R-LF
SW80B150L-SRF
SW80B150R-SLF
SW80V150L-SRF
SW80V150R-SLF
SW80B150L-RF
SW80B150R-LF
SW80V150L-RF
SW80V150R-LF
SW80B200L-SRF
SW80B200R-SLF
SW80V200L-SRF
SW80V200R-SLF
SW80B200L-RF
SW80B200R-LF
SW80V200L-RF
SW80V200R-LF
SW80B250L-SRF
SW80B250R-SLF
SW80V250L-SRF
SW80V250R-SLF
SW80B250L-RF
SW80B250R-LF
SW80V250L-RF
SW80V250R-LF
SW80B300L-SRF
SW80B300R-SLF
SW80V300L-SRF
SW80V300R-SLF
SW80B300L-RF
SW80B300R-LF
SW80V300L-RF
SW80V300R-LF
SW80B400L-SRF
SW80B400R-SLF
SW80V400L-SRF
SW80V400R-SLF
SW80B400L-RF
SW80B400R-LF
SW80V400L-RF
SW80V400R-LF
SW80B500L-SRF
SW80B500R-SLF
SW80V500L-SRF
SW80V500R-SLF
SW80B500L-RF
SW80B500R-LF
SW80V500L-RF
SW80V500R-LF
SW80B600L-SRF
SW80B600R-SLF
SW80V600L-SRF
SW80V600R-SLF
SW80B600L-RF
SW80B600R-LF
SW80V600L-RF
SW80V600R-LF
SW80B800L-SRF
SW80B800R-SLF
SW80V800L-SRF
SW80V800R-SLF
SW80B800L-RF
SW80B800R-LF
SW80V800L-RF
SW80V800R-LF
SW80B1000L-SRF
SW80B1000R-SLF
SW80V1000L-SRF
SW80V1000R-SLF
SW80B1000L-RF
SW80B1000R-LF
SW80V1000L-RF
SW80V1000R-LF
SW80B1200L-SRF
SW80B1200R-SLF
SW80V1200L-SRF
SW80V1200R-SLF
SW80B1200L-RF
SW80B1200R-LF
SW80V1200L-RF
SW80V1200R-LF
SW80B1500L-SRF
SW80B1500R-SLF
SW80V1500L-SRF
SW80V1500R-SLF
SW80B1500L-RF
SW80B1500R-LF
SW80V1500L-RF
SW80V1500R-LF
SW80B1800L-SRF
SW80B1800R-SLF
SW80V1800L-SRF
SW80V1800R-SLF
SW80B1800L-RF
SW80B1800R-LF
SW80V1800L-RF
SW80V1800R-LF
SW80B2400L-SRF
SW80B2400R-SLF
SW80V2400L-SRF
SW80V2400R-SLF
SW80B2400L-RF
SW80B2400R-LF
SW80V2400L-RF
SW80V2400R-LF
SW80B3000L-SRF
SW80B3000R-SLF
SW80V3000L-SRF
SW80V3000R-SLF
SW80B3000L-RF
SW80B3000R-LF
SW80V3000L-RF
SW80V3000R-LF
SW80B3600L-SRF
SW80B3600R-SLF
SW80V3600L-SRF
SW80V3600R-SLF
SW80B3600L-RF
SW80B3600R-LF
SW80V3600L-RF
SW80V3600R-LF
电话:0512-66051469 传真:0512-66051489 邮箱:2461896109@qq.com
网址: www.ueno-china.com 地址:苏州市吴中区南湖路71号天贸大厦509
版权归111苏州上野机电设备有限公司所有 苏ICP备16035515号-1 技术支持:易动力网络