电话:0512-66051469
传真:0512-66051489
邮箱:2461896109@qq.com
地址:苏州市吴中区南湖路71号天贸大厦509
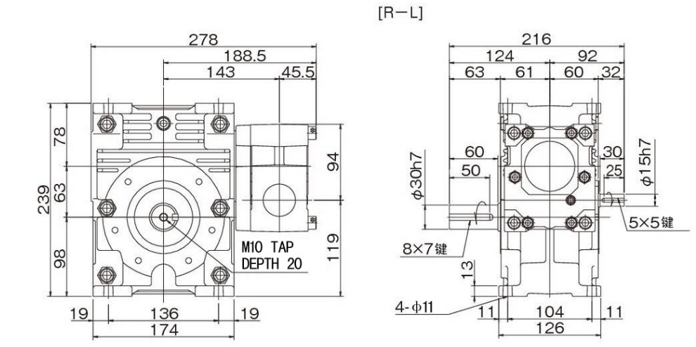
日本高精度紧凑型的TSUBAKI椿本蜗轮蜗杆减速机型号:EWJ63T600L-R
苏州上野机电设备有限公司询价咨询电话:17895046997 刘先生 同微信

高精度,构造紧凑。以底脚安装为基本型,设计兼具成本与维修需求。种类丰富,有助于简化装置。
・传动能力,效率&成本的高度平衡下以确保高精度和紧凑性。
・底脚安装为基本型,输出轴可提供实心轴或中空轴。
・提供小型~中型尺寸(芯间距离25~200)。
・MR系列符合高能效电机要求。(IE3级别:超高效)

| 减速比 | 输入1750 r/min | 输入1450 r/min | 输入1150 r/min | 输入950 r/min | 输入500 r/min | 输入100 r/min | 大概 质量 kg | ||||||||||||
|---|---|---|---|---|---|---|---|---|---|---|---|---|---|---|---|---|---|---|---|
| 输入 kW | 输出扭矩 | 输入 kW | 输出扭矩 | 输入 kW | 输出扭矩 | 输入 kW | 输出扭矩 | 输入 kW | 输出扭矩 | 输入 kW | 输出扭矩 | ||||||||
| N・m | {kgf・m} | N・m | {kgf・m} | N・m | {kgf・m} | N・m | {kgf・m} | N・m | {kgf・m} | N・m | {kgf・m} | ||||||||
| 600 | 0.140 | 221 | 22.53 | 0.120 | 221 | 22.60 | 0.100 | 222 | 22.67 | 0.086 | 223 | 22.72 | 0.051 | 224 | 22.82 | 0.013 | 225 | 22.92 | 16 |
| N | {kgf} |
|---|---|
| 4155 | 424 |
| 减 速 部 | 润滑方式 | 油浴方式·注油出货 |
|---|---|---|
| DAPHNE ALPHA OILTE260 | ||
| 键规格 | 新JIS普通 JIS B1301-1976(中实轴部用键一同出货) | |
| 涂装规格 | 蒙塞尔2.5G6/3(绿色) | |
| 清漆类涂料 只用于表层涂装 | ||
| 防锈规格 | 防锈期 室内保管6个月(工厂出厂后) | |
| 外部防锈处理:涂抹防锈脂 内部防锈处理:填充润滑油后密封 | ||
| 周 围 条 件 | 设置场所 | 室内 |
| 环境温度 | -10℃~50℃ | |
| 环境湿度 | 95%以下(无结露) | |
| 高 度 | 海拔1000m以下 | |
| 环 境 | 无腐蚀性及爆炸性气体·蒸气及无结露,尘埃少 | |
| 安装方式 | 自由安装 | |

苏州上野机电设备有限公司销售型号如下:
EWJ63E10L
EWJ63E10R
EWJ63E10LR
EWJ63V10LU
EWJ63V10LD
EWJ63V10LUD
EWJ63V10RU
EWJ63V10RD
EWJ63V10RUD
EWJ63E15L
EWJ63E15R
EWJ63E15LR
EWJ63V15LU
EWJ63V15LD
EWJ63V15LUD
EWJ63V15RU
EWJ63V15RD
EWJ63V15RUD
EWJ63E20L
EWJ63E20R
EWJ63E20LR
EWJ63V20LU
EWJ63V20LD
EWJ63V20LUD
EWJ63V20RU
EWJ63V20RD
EWJ63V20RUD
EWJ63E25L
EWJ63E25R
EWJ63E25LR
EWJ63V25LU
EWJ63V25LD
EWJ63V25LUD
EWJ63V25RU
EWJ63V25RD
EWJ63V25RUD
EWJ63E30L
EWJ63E30R
EWJ63E30LR
EWJ63V30LU
EWJ63V30LD
EWJ63V30LUD
EWJ63V30RU
EWJ63V30RD
EWJ63V30RUD
EWJ63E40L
EWJ63E40R
EWJ63E40LR
EWJ63V40LU
EWJ63V40LD
EWJ63V40LUD
EWJ63V40RU
EWJ63V40RD
EWJ63V40RUD
EWJ63E50L
EWJ63E50R
EWJ63E50LR
EWJ63V50LU
EWJ63V50LD
EWJ63V50LUD
EWJ63V50RU
EWJ63V50RD
EWJ63V50RUD
EWJ63E60L
EWJ63E60R
EWJ63E60LR
EWJ63V60LU
EWJ63V60LD
EWJ63V60LUD
EWJ63V60RU
EWJ63V60RD
EWJ63V60RUD
EWJ63T100L-R
EWJ63T100R-L
EWJ63T100L-LR
EWJ63T100R-LR
EWJ63V100L-RU
EWJ63V100L-RD
EWJ63V100L-RUD
EWJ63V100R-LU
EWJ63V100R-LD
EWJ63V100R-LUD
EWJ63T150L-R
EWJ63T150R-L
EWJ63T150L-LR
EWJ63T150R-LR
EWJ63V150L-RU
EWJ63V150L-RD
EWJ63V150L-RUD
EWJ63V150R-LU
EWJ63V150R-LD
EWJ63V150R-LUD
EWJ63T200L-R
EWJ63T200R-L
EWJ63T200L-LR
EWJ63T200R-LR
EWJ63V200L-RU
EWJ63V200L-RD
EWJ63V200L-RUD
EWJ63V200R-LU
EWJ63V200R-LD
EWJ63V200R-LUD
EWJ63T250L-R
EWJ63T250R-L
EWJ63T250L-LR
EWJ63T250R-LR
EWJ63V250L-RU
EWJ63V250L-RD
EWJ63V250L-RUD
EWJ63V250R-LU
EWJ63V250R-LD
EWJ63V250R-LUD
EWJ63T300L-R
EWJ63T300R-L
EWJ63T300L-LR
EWJ63T300R-LR
EWJ63V300L-RU
EWJ63V300L-RD
EWJ63V300L-RUD
EWJ63V300R-LU
EWJ63V300R-LD
EWJ63V300R-LUD
EWJ63T400L-R
EWJ63T400R-L
EWJ63T400L-LR
EWJ63T400R-LR
EWJ63V400L-RU
EWJ63V400L-RD
EWJ63V400L-RUD
EWJ63V400R-LU
EWJ63V400R-LD
EWJ63V400R-LUD
EWJ63T500L-R
EWJ63T500R-L
EWJ63T500L-LR
EWJ63T500R-LR
EWJ63V500L-RU
EWJ63V500L-RD
EWJ63V500L-RUD
EWJ63V500R-LU
EWJ63V500R-LD
EWJ63V500R-LUD
EWJ63T600L-R
EWJ63T600R-L
EWJ63T600L-LR
EWJ63T600R-LR
EWJ63V600L-RU
EWJ63V600L-RD
EWJ63V600L-RUD
EWJ63V600R-LU
EWJ63V600R-LD
EWJ63V600R-LUD
EWJ63T800L-R
EWJ63T800R-L
EWJ63T800L-LR
EWJ63T800R-LR
EWJ63V800L-RU
EWJ63V800L-RD
EWJ63V800L-RUD
EWJ63V800R-LU
EWJ63V800R-LD
EWJ63V800R-LUD
EWJ63T1000L-R
EWJ63T1000R-L
EWJ63T1000L-LR
EWJ63T1000R-LR
EWJ63V1000L-RU
EWJ63V1000L-RD
EWJ63V1000L-RUD
EWJ63V1000R-LU
EWJ63V1000R-LD
EWJ63V1000R-LUD
EWJ63T1200L-R
EWJ63T1200R-L
EWJ63T1200L-LR
EWJ63T1200R-LR
EWJ63V1200L-RU
EWJ63V1200L-RD
EWJ63V1200L-RUD
EWJ63V1200R-LU
EWJ63V1200R-LD
EWJ63V1200R-LUD
EWJ63T1500L-R
EWJ63T1500R-L
EWJ63T1500L-LR
EWJ63T1500R-LR
EWJ63V1500L-RU
EWJ63V1500L-RD
EWJ63V1500L-RUD
EWJ63V1500R-LU
EWJ63V1500R-LD
EWJ63V1500R-LUD
EWJ63T1800L-R
EWJ63T1800R-L
EWJ63T1800L-LR
EWJ63T1800R-LR
EWJ63V1800L-RU
EWJ63V1800L-RD
EWJ63V1800L-RUD
EWJ63V1800R-LU
EWJ63V1800R-LD
EWJ63V1800R-LUD
EWJ63T2400L-R
EWJ63T2400R-L
EWJ63T2400L-LR
EWJ63T2400R-LR
EWJ63V2400L-RU
EWJ63V2400L-RD
EWJ63V2400L-RUD
EWJ63V2400R-LU
EWJ63V2400R-LD
EWJ63V2400R-LUD
EWJ63T3000L-R
EWJ63T3000R-L
EWJ63T3000L-LR
EWJ63T3000R-LR
EWJ63V3000L-RU
EWJ63V3000L-RD
EWJ63V3000L-RUD
EWJ63V3000R-LU
EWJ63V3000R-LD
EWJ63V3000R-LUD
EWJ63T3600L-R
EWJ63T3600R-L
EWJ63T3600L-LR
EWJ63T3600R-LR
EWJ63V3600L-RU
EWJ63V3600L-RD
EWJ63V3600L-RUD
EWJ63V3600R-LU
EWJ63V3600R-LD
EWJ63V3600R-LUD
电话:0512-66051469 传真:0512-66051489 邮箱:2461896109@qq.com
网址: www.ueno-china.com 地址:苏州市吴中区南湖路71号天贸大厦509
版权归111苏州上野机电设备有限公司所有 苏ICP备16035515号-1 技术支持:易动力网络