电话:0512-66051469
传真:0512-66051489
邮箱:2461896109@qq.com
地址:苏州市吴中区南湖路71号天贸大厦509
电话:0512-66051469
传真:0512-66051489
邮箱:2461896109@qq.com
地址:苏州市吴中区南湖路71号天贸大厦509
株式会社フリーベアコーポレーション、在1971年10月 株式会社 共栄精工として設立。
2000年1月 社名を株式会社フリーベアコーポレーションに変更,
所以Freebear在日本,叫做 共荣品牌,在大陆中国现在翻译叫做“福力百亚”,也有叫“富瑞贝尔” 。
苏州上野机电设备有限公司代理Freebear品牌,我们习惯叫法“Freebear万向球”或者“Freebear举模器”。
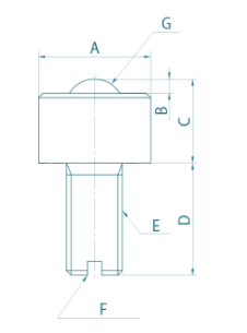
特点: 低启动摩擦阻力值
通过使用万向轴承,对被搬运物施加的摩擦力从“滑动摩擦”变为“滚动摩擦”,因此可以轻柔地移动被搬运物。(启动摩擦阻力值:指重物从停止状态移动时的第一个阻力值。)
滚珠结构,向上/向下,当然也可以进行斜向和横向,请联系我们苏州上野。
万向滚珠两种类型,压力成型品和切削加工品
压力成型品模具冲压金属板成型的加工方法。
切削加工品,通过切削圆形棒材进行制作。
切削加工产品
H-type
丰富的锥型和防尘型(带橡胶密封)系列支持各种环境。
由于它是螺栓连接的,因此可以以较窄的间隔安装


| 型号 | 允许负载 | 最大负载 | 主球 | 小球 | 身体 | 自重 | A | B | C | D | E | F | G | 数据 下载 (DXF / PDF) |
|---|---|---|---|---|---|---|---|---|---|---|---|---|---|---|
| C-2H | 5公斤 | 10公斤 | 钢 | 钢 | 钢 | 8克 | ∅12 | 1.5 1.5 | 9 | 12 | M6 | 1.5 宽 x 1.5 深 | 1/4" 球体 (∅6.35) | 联系苏州上野 |
| C-3H | 8公斤 | 16公斤 | 钢 | 钢 | 钢 | 18克 | ∅15 | 2.5 | 15 | 12 | M6 | 1.5 宽 x 1.5 深 | 3/8 英寸球 (∅9.525) | 联系苏州上野 |
| S-3H | 8公斤 | 16公斤 | SUS | SUS | SUS | 18克 | ∅15 | 2.5 | 15 | 12 | M6 | 1.5 宽 x 1.5 深 | 3/8 英寸球 (∅9.525) | 联系苏州上野 |
| C-4H | 10公斤 | 20公斤 | 钢 | 钢 | 钢 | 36克 | ∅20 | 3 | 18 18 | 12 | M8 | 1.5 宽 x 1.5 深 | 1/2 英寸球 (∅12.70) | 联系苏州上野 |
| C-5H | 20公斤 | 40公斤 | 钢 | 钢 | 钢 | 55克 | ∅24 | 4 | 20.5 | 12 | M6 | 1.5 宽 x 1.5 深 | 5/8 英寸球 (∅15.875) | 联系苏州上野 |
| S-5H | 20公斤 | 40公斤 | SUS | SUS | SUS | 54克 | ∅24 | 4 | 20.5 | 12 | M6 | 1.5 宽 x 1.5 深 | 5/8 英寸球 (∅15.875) | 联系苏州上野 |
C-5H-M8×16 | 20公斤 | 40公斤 | 钢 | 钢 | 钢 | 57克 | ∅24 | 4 | 20.5 | 16 16 | M8 | 1.5 宽 x 1.5 深 | 5/8 英寸球 (∅15.875) | 联系苏州上野 |
| C-6H | 50公斤 | 100公斤 | 钢 | 钢 | 钢 | 126克 | ∅32 | 4 | 26 | 20 | M8 | 1.5 宽 x 1.5 深 | 3/4" 球体 (∅ 19.05) | 联系苏州上野 |
| S-6H | 50公斤 | 100公斤 | SUS | SUS | SUS | 124克 | ∅32 | 4 | 26 | 20 | M8 | 1.5 宽 x 1.5 深 | 3/4" 球体 (∅ 19.05) | 联系苏州上野 |


| 型号 | 允许负载 | 最大负载 | 主球 | 小球 | 身体 | 自重 | A | B | C | D | E | F | 数据 下载 (DXF / PDF) |
|---|---|---|---|---|---|---|---|---|---|---|---|---|---|
| C-8H | 80公斤 | 160公斤 | 钢 | 钢 | 钢 | 337克 | ∅42 | 7.4 7.4 | 42 | 21 | M10 | 1 英寸球 (∅25.40) | 联系苏州上野 |
| S-8H | 80公斤 | 160公斤 | SUS | SUS | SUS | 330克 | ∅42 | 7.4 7.4 | 42 | 21 | M10 | 1 英寸球 (∅25.40) | 联系苏州上野 |


| 型号 | 允许负载 | 最大负载 | 主球 | 小球 | 身体 | 自重 | A | B | C | D | E | F | G | H | I | 数据 下载 (DXF / PDF) |
|---|---|---|---|---|---|---|---|---|---|---|---|---|---|---|---|---|
| C-5HT | 20公斤 | 40公斤 | 钢 | 钢 | 钢 | 52克 | ∅24 | ∅16 | 四 | 3 | 20.5 | 12 | M6 | 1.5 宽 x 1.5 深 | 5/8 英寸球 (∅15.875) | 联系苏州上野 |
| C-6HT | 50公斤 | 100公斤 | 钢 | 钢 | 钢 | 121克 | ∅32 | ∅20 | 四 | 3.46 | 26 | 20 | M8 | 1.5 宽 x 1.5 深 | 3/4" 球体 (∅ 19.05) | 联系苏州上野 |


| 型号 | 允许负载 | 最大负载 | 主球 | 小球 | 身体 | 自重 | A | B | C | D | E | F | G | 数据 下载 (DXF / PDF) |
|---|---|---|---|---|---|---|---|---|---|---|---|---|---|---|
| C-5HR | 20公斤 | 40公斤 | 钢 | 钢 | 钢 | 53克 | ∅24 | 4.5 4.5 | 20.5 | 12 | M6 | 1.5 宽 x 1.5 深 | 5/8 英寸球 (∅15.875) | 联系苏州上野 |
| C-6HR | 50公斤 | 100公斤 | 钢 | 钢 | 钢 | 121克 | ∅32 | 6 | 26 | 20 | M8 | 1.5 宽 x 1.5 深 | 3/4" 球体 (∅ 19.05) | 联系苏州上野 |


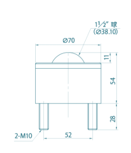
| 型号 | 允许负载 | 最大负载 | 主球 | 小球 | 身体 | 自重 | 数据 下载 (DXF / PDF) |
|---|---|---|---|---|---|---|---|
| C-8HB | 100公斤 | 200公斤 | 钢 | 钢 | 钢 | 311克 | DXF |


| 型号 | 允许负载 | 最大负载 | 主球 | 小球 | 身体 | 自重 | 数据 下载 (DXF / PDF) |
|---|---|---|---|---|---|---|---|
| C-12HA | 200公斤 | 400公斤 | 钢 | 钢 | 钢 | 1,257克 | DXFPDF格式 |


| 型号 | 允许负载 | 最大负载 | 主球 | 小球 | 身体 | 自重 | 数据 下载 (DXF / PDF) |
|---|---|---|---|---|---|---|---|
| C-12 哈尔 | 200公斤 | 400公斤 | 钢 | 钢 | 钢 | 1,242克 | DXFPDF格式 |
* 所列产品的规格如有更改,恕不另行通知。请联系我们苏州上野获取更多信息。
* 有关目录中未列出的材料,请与我们联系。
* SUS440C用于本目录所列不锈钢产品的主球。选择防锈用途时请与我们联系
Freebear万向球代理商:苏州上野

电话:0512-66051469 传真:0512-66051489 邮箱:2461896109@qq.com
网址: www.ueno-china.com 地址:苏州市吴中区南湖路71号天贸大厦509
版权归111苏州上野机电设备有限公司所有 苏ICP备16035515号-1 技术支持:易动力网络