电话:0512-66051469
传真:0512-66051489
邮箱:2461896109@qq.com
地址:苏州市吴中区南湖路71号天贸大厦509
电话:0512-66051469
传真:0512-66051489
邮箱:2461896109@qq.com
地址:苏州市吴中区南湖路71号天贸大厦509
通过使用超细纤维纤维(MF 密封)作为密封件, 可以以与没有密封件的自由轴承相当的摩擦系数(0.03μ 或更小)输送工件。 此外,MF密封件吸附内部产生的磨屑,起到清洁作用 ,实现更长的使用寿命。
统一咨询热线:0512-66051469
在线咨询株式会社フリーベアコーポレーション、在1971年10月 株式会社 共栄精工として設立。
2000年1月 社名を株式会社フリーベアコーポレーションに変更,
所以Freebear在日本,叫做 共荣品牌,在大陆中国现在翻译叫做“福力百亚”,也有叫“富瑞贝尔” 。
苏州上野机电设备有限公司代理Freebear品牌,我们习惯叫法“Freebear万向球”或者“Freebear举模器”。
特点: 低启动摩擦阻力值
通过使用万向轴承,对被搬运物施加的摩擦力从“滑动摩擦”变为“滚动摩擦”,因此可以轻柔地移动被搬运物。(启动摩擦阻力值:指重物从停止状态移动时的第一个阻力值。)
滚珠结构,向上/向下,当然也可以进行斜向和横向,请联系我们苏州上野。
万向滚珠两种类型,压力成型品和切削加工品,压力成型品模具冲压金属板成型的加工方法;切削加工品,通过切削圆形棒材进行制作。
MF—Type
命名为MF 系列,MF 密封件来制作。
通过使用超细纤维纤维(MF 密封)作为密封件,
可以以与没有密封件的自由轴承相当的摩擦系数(0.03μ 或更小)输送工件。
此外,MF密封件吸附内部产生的磨屑,起到清洁作用,实现更长的使用寿命。


| 型号 | 允许负载 | 安装强度 | 最大的力量 | 自重 | 大球 | 小球 | 身体(封面) | 接球手 | 材质 | 外壳 | 类型 | 数据 下载 (DXF / PDF) |
|---|---|---|---|---|---|---|---|---|---|---|---|---|
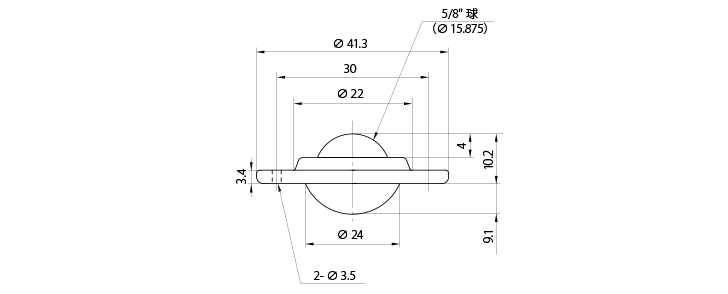
| C-3S-MF | 49N (5kgf) | 49N (5kgf) | 68N (7kgf) | 17.6克 | SWRM | SWRM | SPC | SPC | SWP | SPC | MF | 联系苏州上野 |
| S-3S-MF | 49N (5kgf) | 49N (5kgf) | 68N (7kgf) | 17.6克 | SUS440C | SUS440C | SUS304 | SUS304 | SUS304 | SUS304 | MF | 联系苏州上野 |
| P-3S-MF | 9.8N (1kgf) | 9.8N (1kgf) | 14.7N (1.5kgf) | 12克 | 尼龙 | SUS304 | SPC | SPC | SWP | SPC | MF | 联系苏州上野 |


| 型号 | 允许负载 | 最大负载 | 自重 | 大球 | 小球 | 身体(封面) | 接球手 | 中盘 | 类型 | 数据 下载 (DXF / PDF) |
|---|---|---|---|---|---|---|---|---|---|---|
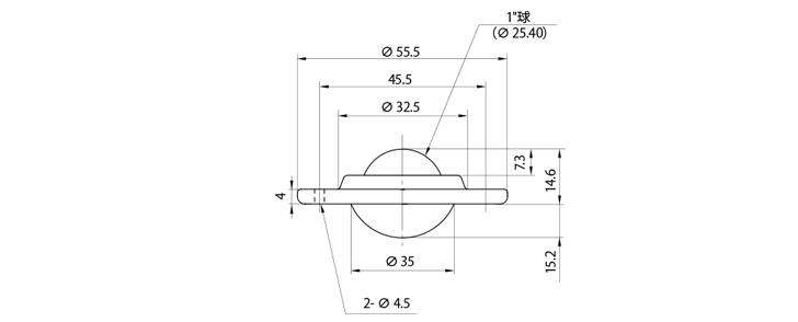
| C-5L-MF | 78.4N (8kgf) | 156.8N (16kgf) | 45.5克 | SWRM | SWRM | SPC | SUS304 | SPC | MF | 联系苏州上野 |
| S-5L-MF | 78.4N (8kgf) | 156.8N (16kgf) | 45克 | SUS440C | SUS440C | SUS304 | SUS304 | SUS304 | MF | 联系苏州上野 |
| P-5L-MF | 19.6N (2kgf) | – – | 31.5克 | 尼龙 | SUS304 | SPC | SUS304 | SPC | MF | 联系苏州上野 |


| 型号 | 允许负载 | 最大负载 | 自重 | 大球 | 小球 | 本体(封面) | 接球手 | 中板 | 密封件类型 | 数据 下载 (DXF / PDF) |
|---|---|---|---|---|---|---|---|---|---|---|
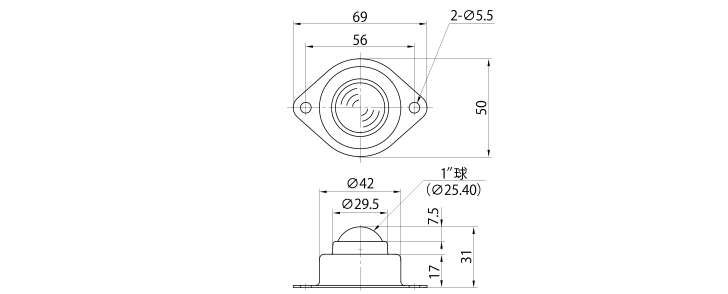
| C-8L-MF | 294N (30kgf) | 588N (60kgf) | 132克 | SWRM | SWRM | SPC | SUS304 | SPC | MF | 联系苏州上野 |
| S-8L-MF | 294N (30kgf) | 588N (60kgf) | 131克 | SUS440C | SUS440C | SUS304 | SUS304 | SUS304 | MF | 联系苏州上野 |
| P-8L-MF | 49N (5kgf) | – – | 75克 | 尼龙 | SUS304 | SPC | SUS304 | SPC | MF | 联系苏州上野 |


| 型号 | 允许负载 | 最大负载 | 自重 | 大球 | 小球 | 身体(封面) | 接球手 | 类型 | 数据 下载 (DXF / PDF) |
|---|---|---|---|---|---|---|---|---|---|
| C-8Y-MF | 294N (30kgf) | 588N (60kgf) | 138克 | SWRM | SWRM | SPC | SUS304 | MF | 联系苏州上野 |
| S-8Y-MF | 294N (30kgf) | 588N (60kgf) | 134克 | SUS440C | SUS440C | SUS304 | SUS304 | MF | 联系苏州上野 |
| P-8Y-MF | 49N (5kgf) | – – | 80克 | 尼龙 | SUS304 | SPC | SUS304 | MF | 联系苏州上野 |
苏州上野机电设备有限公司Freebear代理证书:

电话:0512-66051469 传真:0512-66051489 邮箱:2461896109@qq.com
网址: www.ueno-china.com 地址:苏州市吴中区南湖路71号天贸大厦509
版权归111苏州上野机电设备有限公司所有 苏ICP备16035515号-1 技术支持:易动力网络