电话:0512-66051469
传真:0512-66051489
邮箱:2461896109@qq.com
地址:苏州市吴中区南湖路71号天贸大厦509
电话:0512-66051469
传真:0512-66051489
邮箱:2461896109@qq.com
地址:苏州市吴中区南湖路71号天贸大厦509
特点: 超薄的设计。 通过过滤器实现130 mm厚的薄型设计。 无级变速的设定。 操作单元可以根据安装条件进行风量控制(调节)。 各种定制规格也可支持CE标记。 ·产品外径尺寸的变更。 ·更改过滤器规格。 ULPA,也支持PTFE过滤器规格。 ·变更为操作部外部取出类型。 完善的电源支持。 DC输入类型支持DC36V/24V。 交流输入类型为单相100~200V/。 支持
统一咨询热线:0512-66051469
在线咨询
特点:
超薄的设计。
通过过滤器实现130 mm厚的薄型设计。
无级变速的设定。
操作单元可以根据安装条件进行风量控制(调节)。
各种定制规格也可支持CE标记。
·产品外径尺寸的变更。
·更改过滤器规格。
ULPA,也支持PTFE过滤器规格。
·变更为操作部外部取出类型。
完善的电源支持。
DC输入类型支持DC36V/24V。
交流输入类型为单相100~200V/。
支持200~240V宽电源


DC和AC共同注意事项:
1.本产品是CE标记对应产品。根据以下规格的要求进行设计。
EN 60335-1、EN 60335-2-80。
EN61000-6-2,EN61000-6-4。
2.关于最终产品的规格、法令等的合规性,请贵公司确认。
3.请避免在过度的尘埃内或特殊环境下(可燃气体等)使用本产品。
4.本产品在温度为5~40℃、相对湿度为85%以下的范围内使用。
5.本产品的安装方向请以产品水平(吸入口向上)的方式设置。其他安装方向请另行咨询。
6.本规格记载了代表值,可通过风量调节旋钮进行风量调节。
7.噪声测量条件位于消声室中产品中心下方1m的位置。
8.上述收集效率表示主过滤器的额定风量的值。
9.最大风量是指在机外静压0Pa时风量调节旋钮的刻度最大(10)时的风量(参考值)。
10.所谓最大运转电流是指商品运转中流过的电流的最大值(参考值),并不一定表示以最大风量使用时的电流值。
11.。用于产品运行的直流电源请使用基于以下内容的直流电源:
*从直流电源连接到产品的连接线应提供容量大于产品规格最大电流值的连接线。
*因雷电浪涌、感应噪声等影响而导致故障或误动,以免超过产品额定电压。
请使用受保护的物品。
*使用初级侧(输入侧)和次级侧(输出侧)可靠隔离的材料。(仅限DC输入类型)。
12.。在产品和电源之间安装赛道保护器或断路器作为设备专用。
只有DC输入类型…。本产品是单独提供直流电源(36V)时的值。另外,如果可以准备DC24V的电源,请另行咨询性能等。


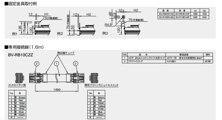
型号:
BV-R04CH2G
BV-R04CH2F
BV-R10CH2G
BV-R10CH2F



注)1.连接到电源端子台。
一定使用带绝缘被覆的圆型端子(M3螺钉用),用端子台的接线螺钉(M3),
确保以0.6N·m的扭矩固定。
2.连接到接地端子。
一定要使用圆形端子(M4螺丝用),用接线螺丝(M4),1.4N·m的扭矩。
请确保固定。
3.FAILURE(异常显示)的接点额定为AC240V/1A或DC36V/0.1A以下。
接点的动作如下所示。·驾驶时:close。


预滤器安装方法。
1.在安装预滤器之前一定要切断薄型清洁模块单元本体的电源,风扇。
请确保它已经停止。
2.预滤器是有方向的。如上图所示,预滤器的形状和薄形清洁模。
匹配焦耳单元的风扇防护装置的形状,然后将预过滤器覆盖在风扇防护装置上。
请安装盖上。
3.。安装预滤器后,确保预滤器安装在风扇防护装置上。
检查并确认空气入口是否被预滤器可靠地覆盖。
电装箱内及电源罩内有充电部。预滤器在电箱内。
以及不要推入电源盖内。
4.。预滤器安装完毕后,请进行试运行。此时,旋转风扇预过滤器。
请务必确认有没有接触等异常。
(可能会导致主机故障。)。
5.。其他注意事项。
※请根据情况定期对预过滤器进行清洁等维护。
※安装预滤器时,风量减少约10%左右。
※R04使用1个。
电话:0512-66051469 传真:0512-66051489 邮箱:2461896109@qq.com
网址: www.ueno-china.com 地址:苏州市吴中区南湖路71号天贸大厦509
版权归111苏州上野机电设备有限公司所有 苏ICP备16035515号-1 技术支持:易动力网络