电话:0512-66051469
传真:0512-66051489
邮箱:2461896109@qq.com
地址:苏州市吴中区南湖路71号天贸大厦509

结构简单的KURASHIKI KAKO仓敷化工防振橡胶型号:KHA-75
苏州上野机电设备有限公司询价咨询电话:17895046997 刘先生 同微信
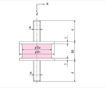
| 種類 | 防振ゴム・ゲル | 材質 | [ゴム] 天然ゴム |
|---|---|---|---|
| 最大許容荷重(範囲)(N) | 701~2500 | 接続形状 | 両端おねじ |
| 接続ねじ M | M12 | 高さH・厚さT(mm) | 50 |
| ばね定数(N/mm) | 450 | 硬度(ショアA) | 50 |
| 色 | 黒 | 許容荷重(N) | 1860 |
| 使用用途 | クッション/防振/除振 | 特性 | 標準 |
| 外径 D1(φ) | 75 | 使用雰囲気温度(℃) | ~50 |
| 防振ゴムの種類 | 丸形 | RoHS | 10 |
性能特点:
1 .因为高度是一定的,所以即使支撑负荷不同,也很容易设计和施工。
2 .螺栓直径一定( KHA-100除外),且为全螺纹,因此安装自由度提高。
3 .弹簧常数静动态比低,具有较高的隔振性能。
4 .形状简单、结构简单,安装方便且经济。
主要用途:
地面隔振等建筑隔振用
设备防振等一般防振用
即使在支撑负荷不同的地方,也可以在一定的高度进行施工的防振橡胶。
特长:
因为高度是一定的,所以即使支撑负荷不同,设计和施工也很容易。
螺栓直径一定( KHA-100除外),且为全螺纹,因此安装自由度提高。
弹簧常数静动态比低,具有较高的隔振性能。
形状简单,结构简单,安装容易且经济。
用途:
地面防震等建筑防震用。
设备防振等一般防振用。




苏州上野机设备有限公司销售型号:
KHA-55
KHA-65
KHA-75
KHA-80
KHA-90
KHA-100
KHB-55
KHB-65
KHB-75
KHB-80
KHB-90
KHB-100
电话:0512-66051469 传真:0512-66051489 邮箱:2461896109@qq.com
网址: www.ueno-china.com 地址:苏州市吴中区南湖路71号天贸大厦509
版权归111苏州上野机电设备有限公司所有 苏ICP备16035515号-1 技术支持:易动力网络