电话:0512-66051469
传真:0512-66051489
邮箱:2461896109@qq.com
地址:苏州市吴中区南湖路71号天贸大厦509
1.形状はJIS B1453“歯車形軸継手”の形式SS、SE、CC、CE形と同一形状。カタログ表示はJIS形式の前後にGC、MをつけたGC-SSM、GC-SEM、GC-CCM、GC-CEMの4形式を基本として、他に色々な形式がある。
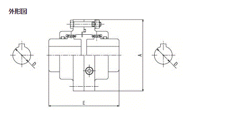
2.形番の称呼はカップリングケース外径寸法で表示。軸部の取合寸法はJIS規格に準拠し、カップリング外径寸法を小さくしている。したがって、JIS規格どおりのものに比べると小形、軽量となり、貴社のコスト低減に積極的に協力。
3.カップリングケース巾に比較し、カップリングセンター長さが長いため、カップリングケースをボス長さ内で移動させることにより、簡単に心出しが可能。また歯部の点検も容易。
4.ミルモーター用のGC-SMM形は、JEM-1109規格に準拠。
5.キー溝よりの油漏れを防止する油漏れ防止カバーを標準化。
6.熱処理を施すことにより、伝達容量を増加したMH形を標準化

苏州上野机电设备有限公司销售电话:17895046997 刘经理

红色为大阪制锁联轴器:GC-SSM140详细信息
| 形番 | 各部寸法(mm) | 貯油量 (l) | 質量 (kg) | GD2 (kgf・m2) | |||||||||
|---|---|---|---|---|---|---|---|---|---|---|---|---|---|
| 外径 (mm) A | E | l1 | C | B | F | K | M | S | G1 | G2 | |||
| 100 | 98 | 45 | 8 | 46 | 67 | 34 | 15 | 2 | 4 | 10 | 0.043 | 2.9 | 0.0112 |
| 112 | 108 | 50 | 8 | 58 | 79 | 40 | 14 | 2 | 1 | 14 | 0.055 | 4.3 | 0.0198 |
| 125 | 134 | 63 | 8 | 70 | 92 | 43 | 24 | 2.5 | 9 | 7 | 0.072 | 6.6 | 0.0353 |
| 140 | 150 | 71 | 8 | 80 | 107 | 47 | 28 | 2.5 | 11 | 7 | 0.11 | 9.3 | 0.0612 |
| 160 | 170 | 80 | 10 | 95 | 120 | 52 | 33 | 3 | 12 | 7 | 0.14 | 14 | 0.113 |
| 180 | 190 | 90 | 10 | 105 | 134 | 56 | 39 | 3 | 15 | 5 | 0.18 | 19 | 0.191 |
| 200 | 210 | 100 | 10 | 120 | 149 | 61 | 44 | 3 | 18 | 5 | 0.24 | 26 | 0.315 |
| 224 | 236 | 112 | 12 | 145 | 174 | 65 | 53 | 4 | 25 | 1 | 0.36 | 39 | 0.599 |
| 250 | 262 | 125 | 12 | 165 | 200 | 74 | 57 | 4 | 28 | 1 | 0.53 | 55 | 1.08 |
| 280 | 294 | 140 | 14 | 190 | 224 | 82 | 65 | 4.5 | 28 | 1 | 0.69 | 81 | 2.06 |
| 315 | 356 | 170 | 16 | 225 | 260 | 98 | 80 | 5.5 | 33 | 1 | 1.1 | 129 | 4.24 |
| 355 | 396 | 190 | 16 | 250 | 288 | 108 | 90 | 5.5 | 34 | 1 | 1.3 | 177 | 7.13 |
| 400 | 418 | 200 | 18 | 285 | 329 | 114 | 95 | 6.5 | 39 | 0 | 2 | 242 | 12.5 |
苏州上野机电设备有限公司销售型号:
GC-SSM100 UENO 日本原装进口
GC-SSM112 UENO 日本原装进口
GC-SSM140 UENO 日本原装进口
GC-SSM125 UENO 日本原装进口
GC-SSM160 UENO 日本原装进口
GC-SSM180 UENO 日本原装进口
GC-SSM200 UENO 日本原装进口
GC-SSM224 UENO 日本原装进口
GC-SSM250 UENO 日本原装进口
GC-SSM280 UENO 日本原装进口
GC-SSM315 UENO 日本原装进口
GC-SSM355 UENO 日本原装进口
GC-SSM400 UENO 日本原装进口
GE-CEM100 UENO 日本原装进口
GE-CEM112 UENO 日本原装进口
GE-CEM125 UENO 日本原装进口
GE-CEM140 UENO 日本原装进口
GE-CEM160 UENO 日本原装进口
GE-CEM180 UENO 日本原装进口
GE-CEM200 UENO 日本原装进口
GE-CEM224 UENO 日本原装进口
GE-CEM250 UENO 日本原装进口
GE-CEM280 UENO 日本原装进口
GE-CEM315 UENO 日本原装进口
GE-CEM355 UENO 日本原装进口
GE-CEM400 UENO 日本原装进口
电话:0512-66051469 传真:0512-66051489 邮箱:2461896109@qq.com
网址: www.ueno-china.com 地址:苏州市吴中区南湖路71号天贸大厦509
版权归111苏州上野机电设备有限公司所有 苏ICP备16035515号-1 技术支持:易动力网络