电话:0512-66051469
传真:0512-66051489
邮箱:2461896109@qq.com
地址:苏州市吴中区南湖路71号天贸大厦509

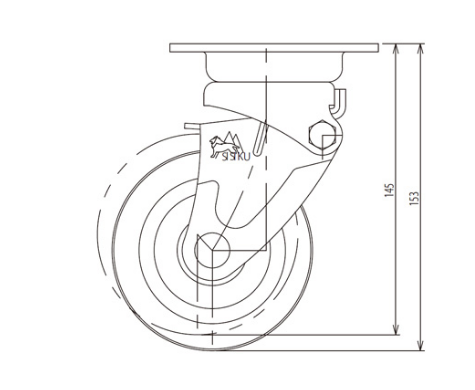
SISIKU-CASTER狮子吼脚轮型号:SAK-100UW (内置螺旋弹簧)
苏州上野机电设备有限公司询价咨询电话:17895046997 刘先生 同微信

车轮采用了对强度自信的独自开发箱型。
采用中心弹簧方式,缓和了来自所有方向的冲击和振动,并且噪音的产生也减少了。
车轮使用密封型径向滚珠轴承,即使不追加注入润滑脂也能安静顺畅地旋转。
内置螺旋弹簧以缓和冲击的脚轮。
特长: 螺旋弹簧有轻~重几种种类可供选择。
将螺旋弹簧设置在脚轮部件内部。
破损时弹簧也不会弹出,避免了搬运物及人员的损失。
车轮采用了对强度自信的独自开发箱型。
采用螺旋弹簧的中心方式,缓和了来自所有方向的冲击和振动,并且噪音的产生也减少了。
通过缓冲,回转部车轮旋转部的负担少,非常耐用。
车轮使用密封型径向滚珠轴承,即使不追加注入润滑脂也能安静顺畅地旋转。
用途:
最适合希望缓和精密设备搬运和移动时的冲击的情况。
方便在院内台车和配餐台车等在意噪音的场合使用。
最适合缓和牵引台车中的冲击。
| 車輪径 mm | リム巾 mm | 車輪取付巾 mm | 取付高 mm | 取付座 mm | 取付ピッチ mm | 取付穴 mm | 軸径 mm | 偏心 mm | 緩衝荷重 kg | |
|---|---|---|---|---|---|---|---|---|---|---|
| SAK-100 | 100 | 35 | 43 | 153-145 | 104×80 | 80×45 | 11 | 12 | 28.5-35 | 10~60 |
| SAK-150 | 150 | 45 | 56 | 210-198 | 126×93 | 100×56 | 11.5 | 20 | 35-48 | 20~110 (SPM以外) 20~80(SPM) |
| SAK-200 | 200 | 45 | 56 | 265-250 | 140×102 | 112×63 | 11.5 | 20 | 46.5-58 | 20~220 (WW、LW、SPM以外) 20~200(WW、LW) 20~100(SPM) |
| SAKB-100 | 100 | 35 | 43 | 153-145 | 104×80 | 80×45 | 11 | 12 | 28.5-35 | 10~60 |
| SAKB-150 | 150 | 45 | 56 | 210-198 | 126×93 | 100×56 | 11.5 | 20 | 35-48 | 20~110 (SPM以外)20~80(SPM) |
| SAKB-200 | 200 | 45 | 56 | 265-250 | 140×102 | 112×63 | 11.5 | 20 | 46.5-58 | 20~220 (WW、LW、SPM以外) 20~200(WW、LW) 20~100(SPM) |
| SAK-HO-150(適合車輪W,UW,SST) | 150 | 45 | 56 | 250-235 | 140×102 | 112×63 | 11.5 | 20 | 51-64 | 20~120 |
| SAK-HO-200(適合車輪W,UW,SST) | 200 | 45 | 56 | 275-260 | 140×102 | 112×63 | 11.5 | 20 | 51-64 | 20~180 |
| SAKB-HO-150(適合車輪W.UW.SST) | 150 | 45 | 56 | 250-235 | 140×102 | 112×63 | 11.5 | 20 | 51-64 | 20~120 |
| SAKB-HO-200(適合車輪W.UW.SST) | 200 | 45 | 56 | 275-260 | 140×102 | 112×63 | 11.5 | 20 | 51-64 | 20~180 |
| 自重 kg | 最大許容荷重 kg(N) | ||||||||
|---|---|---|---|---|---|---|---|---|---|
| W | SST | UW | EUW WUW | WW LW | SPM | WW LW | W SST UW EUW WUW | SPM | |
| SAK-100 | 1.15 | 1.13 | 1.20 | 1.20 | 1.13 | ― | 80 (780) | 100 (980) | ― |
| SAk-150 | 2.55 | 2.59 | 2.70 | 2.69 | 2.53 | 2.59 | 150 (1470) | 150 (1470) | 80 (780) |
| SAK-200 | 4.19 | 4.17 | 4.73 | 4.79 | 4.14 | 4.22 | 200 (1960) | 250 (2450) | 100 (980) |
| 4.78 | |||||||||
| SAKB-100 | 1.31 | 1.29 | 1.36 | 1.36 | 1.30 | ― | 80(780) | 100(980) | ― |
| SAKB-150 | 2.71 | 2.74 | 2.86 | 2.85 | 2.69 | 2.75 | 150(1470) | 150(1470) | 80(780) |
| 2.87 | |||||||||
| SAKB-200 | 4.43 | 4.42 | 4.97 | 5.03 | 4.38 | 4.46 | 200(1960) | 250(2450) | 100(980) |
| SAK-HO-150(適合車輪W,UW,SST) | 4.10 | 3.93 | 3.97 | ― | ― | ― | ― | 150(1470) | ― |
| SAK-HO-200(適合車輪W,UW,SST) | 5.00 | 4.39 | 4.42 | ― | ― | ― | ― | 200(1960) | ― |
| SAKB-HO-150(適合車輪W.UW.SST) | 4.20 | 4.03 | 4.07 | ― | ― | ― | ― | 150(1470) | ― |
| SAKB-HO-200(適合車輪W.UW.SST) | 5.18 | 4.57 | 4.60 | ― | ― | ― | ― | 200(1960) | ― |


苏州上野机电设备有限公司销售型号:
SAK-100LW
SAK-100SST
SAK-100UW
SAK-100W
SAK-100WUW
SAK-100WW
SAK-150EUW
SAK-150LW
SAK-150SST
SAK-150UW
SAK-150W
SAK-150WUW
SAK-150WW
SAK-200EUW
SAK-200LW
SAK-200SPM
SAK-200SST
SAK-200W
SAK-200WUW
SAK-200WW
SAK-HO-150SST
SAK-HO-150W
SAK-HO-200SST
SAK-HO-200W
SAKB-100LW
SAKB-100SST
SAKB-100WW
SAKB-150SST
SAKB-150UW
SAKB-150W
SAKB-200SST
电话:0512-66051469 传真:0512-66051489 邮箱:2461896109@qq.com
网址: www.ueno-china.com 地址:苏州市吴中区南湖路71号天贸大厦509
版权归111苏州上野机电设备有限公司所有 苏ICP备16035515号-1 技术支持:易动力网络