电话:0512-66051469
传真:0512-66051489
邮箱:2461896109@qq.com
地址:苏州市吴中区南湖路71号天贸大厦509
静音弹性大的uchimura-caster内村脚轮型号:No.102HB2AF-PA
苏州上野机电设备有限公司销售型号:17895046997 刘先生 同微信

●车轮和脚部组装在同一部分,同时旋转,所以根据设置面的状况,脚部的位置可以自由改变,另外旋转半径与脚轮单体几乎没有变化。
●可通过脚轮顺畅地移动,可通过调整脚可靠地固定。
因为是一体化的,所以可以节省调整脚的安装工时。
另外,安装机器后,可以简单地调节高度。
●耐久力超群,是金属出色的惊人的耐磨损性能。
●弹性大,不会造成装载物的冲击。
●即使长期固定,也不会因载荷而产生变形。
●无噪音,安静,不会损伤地板。
●轮毂采用铝、轴套采用高性能的塑料,实现轻量化。
对地板和善地在车轮旋转部使用2个径向轴承。
两端支撑结构,机动性很好。



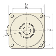
| 車輪特性 | 耐磨耗性 / 耐ガソリン(軽油含む) / 耐油性 / 耐熱性 / 耐寒性 | 許容荷重(daN) | 196 |
|---|---|---|---|
| キャスタタイプ | プレート式自在 / アジャスターフット付 | 車輪材質 | ポリウレタン(アジブレンR) |
| 特性 | 低床式 | 車輪取付高 H(mm) | 60 |
| 車輪径 D(φ) | 40 | 車輪巾 W(mm) | 25 |
| 寸法(長さ) L2(mm) | 92 | 寸法(幅) L1(mm) | 92 |
| 取付穴ピッチ 長手方向 P2(mm) | 75 | 取付穴ピッチ 短手方向 P1(mm) | 75 |
| ストッパ | なし | 荷重範囲(daN) | 140.01~220.00 |
| 旋回半径 r(mm) | 50 | 本体材質 | 冷間圧延鋼板(SPCC) |
| 取付穴種類 | 丸穴 | 種類 | キャスタ |
| 取付穴径 d(mm) | 8.5 | 取付座厚 t(mm) | 2.3 |


苏州上野机电设备有限公司销售型号:
No.102HB2AF-PA No.102HB2AF-PA
No.102HB2-PA No.102HB2-PA
No.102HB2AF-EP No.102HB2AF-EP
No.102HB2-EP No.102HB2-EP
No.111PRS No.111PRS
No.111PR No.111PR
No.109PR No.109PR
No.107ZHBS No.107ZHBS
No.107ZHB No.107ZHB
No.107ZHS No.107ZHS
No.106ZHS No.106ZHS
No.105ZHS No.105ZHS
No.107ZH No.107ZH
No.106ZH No.106ZH
No.105ZH No.105ZH
No.111BS No.111BS
No.109BS No.109BS
No.108BS No.108BS
No.111B No.111B
No.109B No.109B
No.108B No.108B
No.109S No.109S
No.109 No.109
No.105AF-N No.105AF-N
No.106G-NS(M) No.106G-NS(M)
No.106G-NS(L) No.106G-NS(L)
No.106G-NS(B) No.106G-NS(B)
No.105G-NS(M) No.105G-NS(M)
No.105G-NS(L) No.105G-NS(L)
No.105G-NS(B) No.105G-NS(B)
No.106G-N(M) No.106G-N(M)
No.106G-N(L) No.106G-N(L)
No.106G-N(B) No.106G-N(B)
No.105G-N(M) No.105G-N(M)
No.105G-N(L) No.105G-N(L)
No.105G-N(B) No.105G-N(B)
No.107-NS No.107-NS
No.106-NS No.106-NS
No.105-NS No.105-NS
No.107-N No.107-N
No.106-N No.106-N
No.105-N No.105-N
No.105-FE No.105-FE
No.104ZH-PS No.104ZH-PS
No.104ZH-P No.104ZH-P
No.107JH-PS No.107JH-PS
No.106JH-PS No.106JH-PS
No.105JH-PS No.105JH-PS
No.104JH-PS No.104JH-PS
No.107JH-P No.107JH-P
No.106JH-P No.106JH-P
No.105JH-P No.105JH-P
No.104JH-P No.104JH-P
No.106FH-PS No.106FH-PS
No.106FH-P No.106FH-P
No.102HB2AF-PA No.102HB2AF-PA
电话:0512-66051469 传真:0512-66051489 邮箱:2461896109@qq.com
网址: www.ueno-china.com 地址:苏州市吴中区南湖路71号天贸大厦509
版权归111苏州上野机电设备有限公司所有 苏ICP备16035515号-1 技术支持:易动力网络