电话:0512-66051469
传真:0512-66051489
邮箱:2461896109@qq.com
地址:苏州市吴中区南湖路71号天贸大厦509
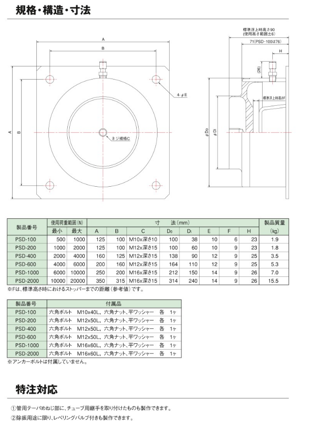
日本易安装KURASHIKI KAKO仓敷化工空气弹簧型号:PSD-1000
苏州上野机电设备有限公司品牌负责人联系电话:17895046997 刘先生 同微信

通过设置橡胶隔膜结构发挥优异的防振效果
PSD型空气弹簧是在金属筒体上设置橡胶隔膜的特殊空气弹簧,具有优异的隔振性能。同时,产品高度低容易使用,安装·保养也容易的空气弹簧。
产品高度低,使用方便,安装·保养也容易的空气弹簧。
特点:
·通过在金属筒体上设置橡胶隔膜的特殊空气弹簧发挥优异的防振性能。
・最大负荷时固有振动频率为3~4Hz,发挥接近PSB型空气弹簧的防振性能。
・可绝缘螺旋弹簧上出现的喘振现象,隔音效果很好。
・橡胶膜比较厚,有橡胶本身的衰减效果。
・因为侧壁面是金属,所以接触事故等的安全性变高了。
・产品高度全尺寸通用,设计低至90mm。
・机器高度也不太高,也可以并用不同的尺寸。
・通过内部的制动器,即使在没有空气的状态下也能支撑机器,安装、维护容易。
用途:
·用于空气压缩机、送风机、冷冻机、发电机、印刷机、变压器、其他各种设备的防振。
・用于天平、表面粗糙度计、正圆度计、三维测定器、其他精密测定机器、试验机的除振。




电话:0512-66051469 传真:0512-66051489 邮箱:2461896109@qq.com
网址: www.ueno-china.com 地址:苏州市吴中区南湖路71号天贸大厦509
版权归111苏州上野机电设备有限公司所有 苏ICP备16035515号-1 技术支持:易动力网络