电话:0512-66051469
传真:0512-66051489
邮箱:2461896109@qq.com
地址:苏州市吴中区南湖路71号天贸大厦509
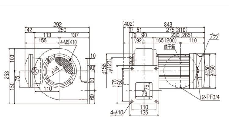
到货到货SHOWA昭和耐压防爆电动鼓风机型号:ME-EC-75T-R243
苏州上野机电设备有限公司询价咨询电话:17895046997 刘先生 同微信

搭载耐压防爆、安全增防爆马达的电动鼓风机防爆系列(MD/ME型)。
特点:
・在各系列中安装了防爆型电动机的电动鼓风机。
·可在发生/滞留可燃性气体的场所使用的类型。
・MD型:耐压防爆型。
・ME型:安全增防爆型。
用途:
・用于有机溶剂的吸排气、涂料仓库、涂装展台、清洗机。
・在印刷机械、第一种/第二种危险场所等使用。
| ブロア 最大風量(m3/min) | 7.5 | 駆動源(種類) | 三相 |
|---|---|---|---|
| 駆動源(定格電圧) | 200V | ブロア 最大風量【区分】(m3/min) | ~10 |
| 羽根車の種類 | ターボ | 周波数 | 50Hz/60Hz |
| ブロア 風量(50Hz)(m3/min) | 6.5 | ブロア 風量(60Hz)(m3/min) | 7.5 |
| 材質 | ケーシング:ADC12、羽根車:SPCC | 回転方向 | 右回転 |
| 吐出方向 | 下部水平 | 送風機仕様 | 標準形 |
| 吸込温度(MAX) | 40 | 防爆仕様 | 安全増防爆型 |


苏州上野机电设备有限公司销售型号如下:
MDME/MDF-EC-63TMD、MEMDF-EC-75TMDME.MDF-EC-100TMDME/MDFEC-07MD、ME/MDF-EC-125MO MEMDF·EC15
MD、MEMDF-EM-100T7MDMEMDF-EM-125M2
MOMEMDFEP-63TMD、MEMDFEP-75TMOME/MDF-EP-100TMDME/MDF-EP-07MO、MEMDF-EP125MD、MEMDF-EP-15MD、ME/MDF-AH-400MD、ME/MDFAH-500MOMMEMDF-AH-600MD、MEMDF-AH-1000MD、ME/MDF-AH-1200MDME/MDFAH-H37
MDMEMDF-KSB400MD、MEMDFKSB-750MD、ME/MDF-KSB-1500MD、ME/MDF-KSB-2200MOMME/MDF-KSB-H37MD,ME,MDF-KSB-750BMO、MEMDF-KSB-1500BMDME.MDF-KSB2200BMDME/MDF-KSB-H37BMD,ME/MDF-SB-75MD、ME.MDF-FS-150MDMEMDF-FS-200MD、ME/MDF-FS-04MD,ME/MDF-FS-07MDMEMDFFS-1500MDME.MDF-FS-2200MD、MEMDFFSM-04MD、MEMDF-FSM-07
MD、ME/MDF-U75-2MOMME.MDF-U75-3MD、MEMDF-U75-4MO、MEMDF-U75-5MDMEMDF-U100B-26MD,ME-U100B-35MD、ME.MDF-U100B-38MOME-U100B-45MD、MEMDF-U100B-H46MD.ME.MDF-U100B-55
MD、ME/MDF-U100B-H56

电话:0512-66051469 传真:0512-66051489 邮箱:2461896109@qq.com
网址: www.ueno-china.com 地址:苏州市吴中区南湖路71号天贸大厦509
版权归111苏州上野机电设备有限公司所有 苏ICP备16035515号-1 技术支持:易动力网络