电话:0512-66051469
传真:0512-66051489
邮箱:2461896109@qq.com
地址:苏州市吴中区南湖路71号天贸大厦509
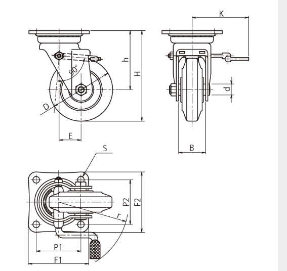
到货日本株式会社okamotokoki冈本工机万向脚轮型号:FUJB150
苏州上野机电设备有限公司询价咨询电话:17895046997 刘先生 同微信

脚轮是个统称,包括活动脚轮、固定脚轮和活动带刹车脚轮。活动脚轮也就我们所说的万向轮,它的结构允许360度旋转;固定脚轮也叫定向脚轮,它没有旋转结构,不能转动。通常是两种脚轮一般都是搭配用的,比如手推车的结构是前边两个定向轮,后边靠近推动扶手的是两个万向轮。脚轮有多种材料的脚轮,如pp脚轮、PVC脚轮、PU脚轮、铸铁脚轮、尼龙脚轮、TPR脚轮、铁芯尼龙脚轮、铁芯PU脚轮等。


使用材质:
聚氨酯、铸铁铸钢、丁腈橡胶胶轮(NBR)、丁腈胶、天然橡胶胶轮、硅氟橡胶胶轮、氯丁橡胶胶轮、丁基橡胶胶轮、硅橡胶(SILICOME)、三元乙丙橡胶胶轮(EPDM)、氟橡胶胶轮(VITON)、氢化丁腈(HNBR),聚氨脂橡胶轮,橡塑胶,PU橡胶轮、聚四氟乙烯橡胶轮(PTFE加工件),尼龙齿轮,聚甲醛(POM)橡胶轮,PEEK橡胶轮,PA66齿轮。
应用行业:
工业、商业、医疗器械以及机械、物流运输、环保清洁用品、家具、电器、美容器械、机械设备、工艺制品、宠物用品、五金制品等各行业。

苏州上野机电设备有限公司销售型号如下:
FU・JB100
FU・JB130
FU・JB150
FU・JB200
FU・JB250
FU・JB75
电话:0512-66051469 传真:0512-66051489 邮箱:2461896109@qq.com
网址: www.ueno-china.com 地址:苏州市吴中区南湖路71号天贸大厦509
版权归111苏州上野机电设备有限公司所有 苏ICP备16035515号-1 技术支持:易动力网络