电话:0512-66051469
传真:0512-66051489
邮箱:2461896109@qq.com
地址:苏州市吴中区南湖路71号天贸大厦509
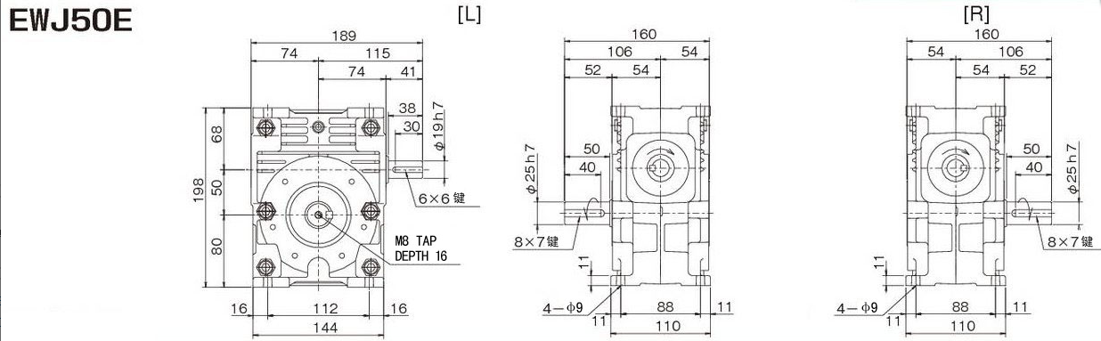
日本脚底安装型TSUBAKI椿本蜗轮蜗杆减速机型号:EWJ50E25LR
苏州上野机电设备有限公司询价咨询电话:17895046997 刘先生 同微信

蜗轮驱动 EW/EWM, EWJ/EWJM系列
传动能力,效率&成本的高度平衡下以确保高精度和紧凑性。
底脚安装为基本型,输出轴可提供实心轴或中空轴。
实心轴型最适于联轴器联结,链条·输送带的驱动。
种类丰富,有助于简化装置。
特点:
・高度平衡传动能力与效率&成本。
采用圆柱形蜗轮,利用长年积累的技术追求极致的齿面传动能力,高维度融合效率与成本。
・底脚安装/安装座,输出轴可选择实心轴或空心轴。
・提供小型~中型尺寸(芯间距离25~200)。
・EWJ系列采用安装方向自由的专用箱体。

EW 系列
| 蜗轮齿轮种类 | 圆柱形蜗轮 | |
|---|---|---|
| 尺寸 | 小型~中型 | |
| 芯间距离 80mm~200mm | ||
| 减速比 | 一级减速 | 1/10~1/60 |
| 高减速比 | 1/100~1/3600 | |
| 扭矩 | 300~5300 N・m | |
EWJ 系列
| 蜗轮齿轮种类 | 圆柱形蜗轮 | |
|---|---|---|
| 尺寸 | 小型 | |
| 芯间距离 25mm~70mm | ||
| 减速比 | 一级减速 | 1/10~1/60 |
| 高减速比 | 1/100~1/3600 | |
| 扭矩 | 12~300 N・m | |
| 减速比 | 输入1750 r/min | 输入1450 r/min | 输入1150 r/min | 输入950 r/min | 输入500 r/min | 输入100 r/min | 大概 质量 kg | ||||||||||||
|---|---|---|---|---|---|---|---|---|---|---|---|---|---|---|---|---|---|---|---|
| 输入 kW | 输出扭矩 | 输入 kW | 输出扭矩 | 输入 kW | 输出扭矩 | 输入 kW | 输出扭矩 | 输入 kW | 输出扭矩 | 输入 kW | 输出扭矩 | ||||||||
| N・m | {kgf・m} | N・m | {kgf・m} | N・m | {kgf・m} | N・m | {kgf・m} | N・m | {kgf・m} | N・m | {kgf・m} | ||||||||
| 25 | 0.85 | 95 | 9.7 | 0.76 | 101 | 10.3 | 0.66 | 108 | 11.1 | 0.56 | 109 | 11.1 | 0.31 | 109 | 11.1 | 0.07 | 109 | 11.1 | 7.2 |
・以1750~1450r/min的转速连续运转二小时以上时,因为需要考虑额定热负载,所以请参照目录21页的额定热负载系数。
| N | {kgf} |
|---|---|
| 2264 | 231 |
| 减 速 部 | 润滑方式 | 油浴方式·注油出货 |
|---|---|---|
| DAPHNE ALPHA OILTE260 | ||
| 键规格 | 新JIS普通 JIS B1301-1976(中实轴部用键一同出货) | |
| 涂装规格 | 蒙塞尔2.5G6/3(绿色) | |
| 静电粉末喷涂:环氧聚酯类 | ||
| 防锈规格 | 防锈期 室内保管6个月(工厂出厂后) | |
| 外部防锈处理:涂抹防锈脂 内部防锈处理:填充润滑油后密封 | ||
| 周 围 条 件 | 设置场所 | 室内 |
| 环境温度 | -10℃~50℃ | |
| 环境湿度 | 95%以下(无结露) | |
| 高 度 | 海拔1000m以下 | |
| 环 境 | 无腐蚀性及爆炸性气体·蒸气及无结露,尘埃少 | |
| 安装方式 | 自由安装 | |
苏州上野机电设备有限公司销售型号如下:
1/10 实心
EWJ25E10L
EWJ25E10R
EWJ25E10LR
1/15 实心
EWJ25E15L
EWJ25E15R
EWJ25E15LR
1/20 实心
EWJ25E20L
EWJ25E20R
EWJ25E20LR
1/25 实心
EWJ25E25L
EWJ25E25R
EWJ25E25LR
1/30 实心
EWJ25E30L
EWJ25E30R
EWJ25E30LR
1/40 实心
EWJ25E40L
EWJ25E40R
EWJ25E40LR
1/50 实心
EWJ25E50L
EWJ25E50R
EWJ25E50LR
1/60 实心
EWJ25E60L
EWJ25E60R
EWJ25E60LR
1/10 实心
EWJ35E10L
EWJ35E10R
EWJ35E10LR
1/15 实心
EWJ35E15L
EWJ35E15R
EWJ35E15LR
1/20 实心
EWJ35E20L
EWJ35E20R
EWJ35E20LR
1/25 实心
EWJ35E25L
EWJ35E25R
EWJ35E25LR
1/30 实心
EWJ35E30L
EWJ35E30R
EWJ35E30LR
1/40 实心
EWJ35E40L
EWJ35E40R
EWJ35E40LR
1/50 实心
EWJ35E50L
EWJ35E50R
EWJ35E50LR
1/60 实心
EWJ35E60L
EWJ35E60R
EWJ35E60LR
1/10 实心
EWJ42E10L
EWJ42E10R
EWJ42E10LR
1/15 实心
EWJ42E15L
EWJ42E15R
EWJ42E15LR
1/20 实心
EWJ42E20L
EWJ42E20R
EWJ42E20LR
1/25 实心
EWJ42E25L
EWJ42E25R
EWJ42E25LR
1/30 实心
EWJ42E30L
EWJ42E30R
EWJ42E30LR
1/40 实心
EWJ42E40L
EWJ42E40R
EWJ42E40LR
1/50 实心
EWJ42E50L
EWJ42E50R
EWJ42E50LR
1/60 实心
EWJ42E60L
EWJ42E60R
EWJ42E60LR
1/10 实心
EWJ50E10L
EWJ50E10R
EWJ50E10LR
EWJ50V10LU
EWJ50V10LD
EWJ50V10LUD
EWJ50V10RU
EWJ50V10RD
EWJ50V10RUD
1/15 实心
EWJ50E15L
EWJ50E15R
EWJ50E15LR
EWJ50V15LU
EWJ50V15LD
EWJ50V15LUD
EWJ50V15RU
EWJ50V15RD
EWJ50V15RUD
1/20 实心
EWJ50E20L
EWJ50E20R
EWJ50E20LR
EWJ50V20LU
EWJ50V20LD
EWJ50V20LUD
EWJ50V20RU
EWJ50V20RD
EWJ50V20RUD
1/25 实心
EWJ50E25L
EWJ50E25R
EWJ50E25LR
EWJ50V25LU
EWJ50V25LD
EWJ50V25LUD
EWJ50V25RU
EWJ50V25RD
EWJ50V25RUD
1/30 实心
EWJ50E30L
EWJ50E30R
EWJ50E30LR
EWJ50V30LU
EWJ50V30LD
EWJ50V30LUD
EWJ50V30RU
EWJ50V30RD
EWJ50V30RUD
1/40 实心
EWJ50E40L
EWJ50E40R
EWJ50E40LR
EWJ50V40LU
EWJ50V40LD
EWJ50V40LUD
EWJ50V40RU
EWJ50V40RD
EWJ50V40RUD
1/50 实心
EWJ50E50L
EWJ50E50R
EWJ50E50LR
EWJ50V50LU
EWJ50V50LD
EWJ50V50LUD
EWJ50V50RU
EWJ50V50RD
EWJ50V50RUD
1/60 实心
EWJ50E60L
EWJ50E60R
EWJ50E60LR
EWJ50V60LU
EWJ50V60LD
EWJ50V60LUD
EWJ50V60RU
EWJ50V60RD
EWJ50V60RUD
1/100 实心
EWJ50T100L-R
EWJ50T100R-L
EWJ50T100L-LR
EWJ50T100R-LR
EWJ50V100L-RU
EWJ50V100L-RD
EWJ50V100L-RUD
EWJ50V100R-LU
EWJ50V100R-LD
EWJ50V100R-LUD
1/150 实心
EWJ50T150L-R
EWJ50T150R-L
EWJ50T150L-LR
EWJ50T150R-LR
EWJ50V150L-RU
EWJ50V150L-RD
EWJ50V150L-RUD
EWJ50V150R-LU
EWJ50V150R-LD
EWJ50V150R-LUD
1/200 实心
EWJ50T200L-R
EWJ50T200R-L
EWJ50T200L-LR
EWJ50T200R-LR
EWJ50V200L-RU
EWJ50V200L-RD
EWJ50V200L-RUD
EWJ50V200R-LU
EWJ50V200R-LD
EWJ50V200R-LUD
1/250 实心
EWJ50T250L-R
EWJ50T250R-L
EWJ50T250L-LR
EWJ50T250R-LR
EWJ50V250L-RU
EWJ50V250L-RD
EWJ50V250L-RUD
EWJ50V250R-LU
EWJ50V250R-LD
EWJ50V250R-LUD
1/300 实心
EWJ50T300L-R
EWJ50T300R-L
EWJ50T300L-LR
EWJ50T300R-LR
EWJ50V300L-RU
EWJ50V300L-RD
EWJ50V300L-RUD
EWJ50V300R-LU
EWJ50V300R-LD
EWJ50V300R-LUD
1/400 实心
EWJ50T400L-R
EWJ50T400R-L
EWJ50T400L-LR
EWJ50T400R-LR
EWJ50V400L-RU
EWJ50V400L-RD
EWJ50V400L-RUD
EWJ50V400R-LU
EWJ50V400R-LD
EWJ50V400R-LUD
1/500 实心
EWJ50T500L-R
EWJ50T500R-L
EWJ50T500L-LR
EWJ50T500R-LR
EWJ50V500L-RU
EWJ50V500L-RD
EWJ50V500L-RUD
EWJ50V500R-LU
EWJ50V500R-LD
EWJ50V500R-LUD
1/600 实心
EWJ50T600L-R
EWJ50T600R-L
EWJ50T600L-LR
EWJ50T600R-LR
EWJ50V600L-RU
EWJ50V600L-RD
EWJ50V600L-RUD
EWJ50V600R-LU
EWJ50V600R-LD
EWJ50V600R-LUD
1/800 实心
EWJ50T800L-R
EWJ50T800R-L
EWJ50T800L-LR
EWJ50T800R-LR
EWJ50V800L-RU
EWJ50V800L-RD
EWJ50V800L-RUD
EWJ50V800R-LU
EWJ50V800R-LD
EWJ50V800R-LUD
1/1000 实心
EWJ50T1000L-R
EWJ50T1000R-L
EWJ50T1000L-LR
EWJ50T1000R-LR
EWJ50V1000L-RU
EWJ50V1000L-RD
EWJ50V1000L-RUD
EWJ50V1000R-LU
EWJ50V1000R-LD
EWJ50V1000R-LUD
1/1200 实心
EWJ50T1200L-R
EWJ50T1200R-L
EWJ50T1200L-LR
EWJ50T1200R-LR
EWJ50V1200L-RU
EWJ50V1200L-RD
EWJ50V1200L-RUD
EWJ50V1200R-LU
EWJ50V1200R-LD
EWJ50V1200R-LUD
1/1500 实心
EWJ50T1500L-R
EWJ50T1500R-L
EWJ50T1500L-LR
EWJ50T1500R-LR
EWJ50V1500L-RU
EWJ50V1500L-RD
EWJ50V1500L-RUD
EWJ50V1500R-LU
EWJ50V1500R-LD
EWJ50V1500R-LUD
1/1800 实心
EWJ50T1800L-R
EWJ50T1800R-L
EWJ50T1800L-LR
EWJ50T1800R-LR
EWJ50V1800L-RU
EWJ50V1800L-RD
EWJ50V1800L-RUD
EWJ50V1800R-LU
EWJ50V1800R-LD
EWJ50V1800R-LUD
1/2400 实心
EWJ50T2400L-R
EWJ50T2400R-L
EWJ50T2400L-LR
EWJ50T2400R-LR
EWJ50V2400L-RU
EWJ50V2400L-RD
EWJ50V2400L-RUD
EWJ50V2400R-LU
EWJ50V2400R-LD
EWJ50V2400R-LUD
1/3000 实心
EWJ50T3000L-R
EWJ50T3000R-L
EWJ50T3000L-LR
EWJ50T3000R-LR
EWJ50V3000L-RU
EWJ50V3000L-RD
EWJ50V3000L-RUD
EWJ50V3000R-LU
EWJ50V3000R-LD
EWJ50V3000R-LUD
1/3600 实心
EWJ50T3600L-R
EWJ50T3600R-L
EWJ50T3600L-LR
EWJ50T3600R-LR
EWJ50V3600L-RU
EWJ50V3600L-RD
EWJ50V3600L-RUD
EWJ50V3600R-LU
EWJ50V3600R-LD
EWJ50V3600R-LUD
电话:0512-66051469 传真:0512-66051489 邮箱:2461896109@qq.com
网址: www.ueno-china.com 地址:苏州市吴中区南湖路71号天贸大厦509
版权归111苏州上野机电设备有限公司所有 苏ICP备16035515号-1 技术支持:易动力网络