电话:0512-66051469
传真:0512-66051489
邮箱:2461896109@qq.com
地址:苏州市吴中区南湖路71号天贸大厦509
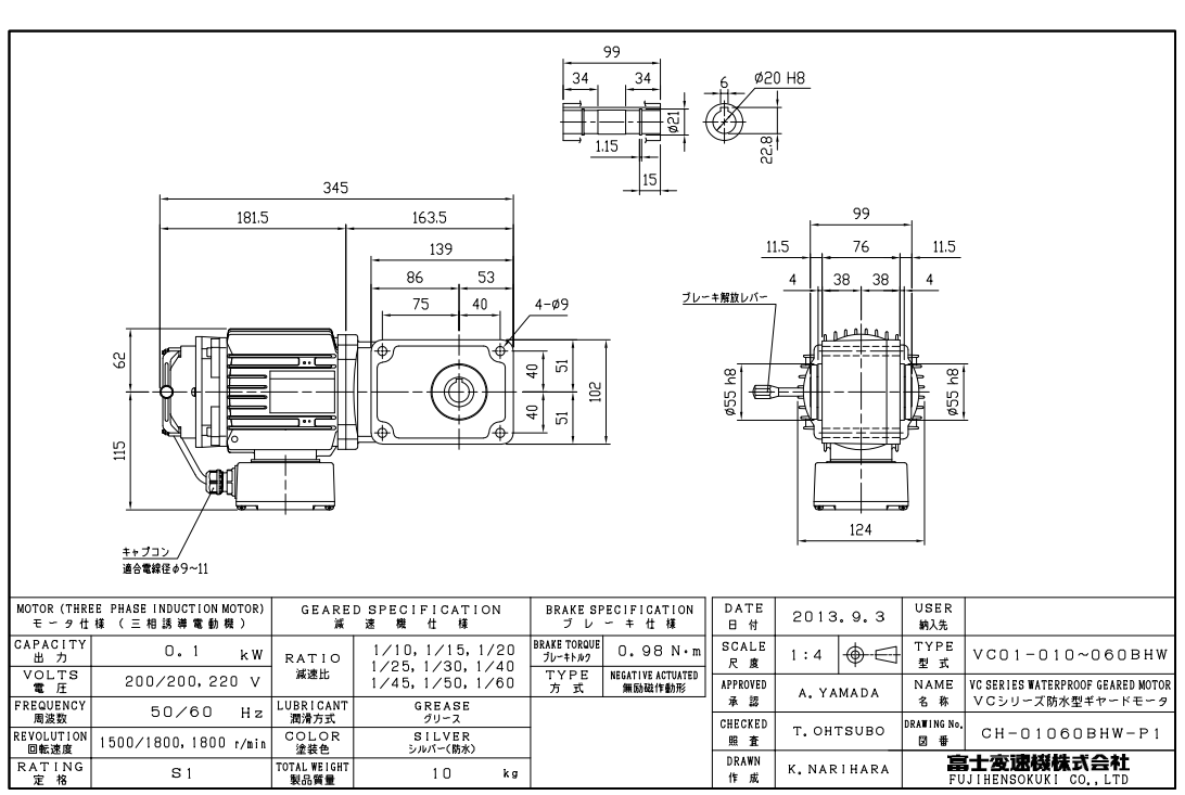
防水型日本FUJIHENSOKUKI富士减速电机型号:VC01-025BHW
苏州上野机电设备有限公司询价咨询电话:17895046997 刘先生 同微信

特点:
变频器运行
带制动器手动释放装置
端子盒90°位置可变更
低噪音、长寿命
免维护
标准型:
顶轮基准对应齿轮马达
安装自由度
异电压电动机
采用低噪音无风扇电机
可安装安全盖
小型轻量
防水型:
强大的防水结构
高防锈效果

| 定格出力 | 三相 4極 | |
|---|---|---|
| 0.1 kW | ||
| 定格電圧 | 200/200-220 V | |
| 定格周波数 | 50/60 Hz | |
| 時間定格 | S1 | |
| 耐熱クラス | 130(B) | |
| 始動方式 | 直入れ | |
| 外被構造 | 全閉自冷形 | |
| 保護等級 | IP65 | |
| ブレーキ (ブレーキ付の時) | 制動方式 | 直流無励磁作動形 |
| 耐熱クラス | 130(B) | |
| 電源装置 | 端子箱内に内蔵 | |
| ブレーキトルク | 150/180% | |
| 保護等級 | IP65 | |
| 減速機 | 減速方式 | 直交軸 |
| 減速比(呼称) | 1 / 25 | |
| 実減速比 | 1 / 24.38 | |
| 出力軸回転速度 | 60/72 r/min | |
| 出力軸許容トルク | 13.5/11.3 N・m | |
| 1.38/1.15 kgf・m | ||
| 出力軸許容O.H.L | 1230 N | |
| 125 kgf | ||
| 潤滑方式 | グリース潤滑 | |
| 出力軸 | ステンレス(SUS420J2) | |
| 出力軸キー | 新 JIS B 1301-1996(ステンレス) | |
| スリンガー | ステンレス | |
| 外部ボルト | ステンレス | |
| 質量 | 10 kg | |
| 塗装色 | シルバー | |
| 取付方向 | 自由 | |
| 周囲条件 | 設置場所 | 屋内・屋外 |
| 周囲温度 | 0℃~+40℃ | |
| 周囲湿度 | 85%以下 (結露しないこと) | |
| 標 高 | 1000m以下 | |
| 雰囲気 | 水中や高水圧のかかる場所では使用できません | |

苏州上野机电设备有限公司销售型号如下:
VC01-010BHW
VC01-015BHW
VC01-020BHW
VC01-025BHW
VC01-030BHW
VC01-040BHW
VC01-045BHW
VC01-050BHW
VC01-060BHW
VC01-080BHW
VC01-100BHW
VC01-120BHW
VC01-160BHW
VC01-200BHW
VC01-240BHW
VC02-010BHW
VC02-015BHW
VC02-020BHW
VC02-025BHW
VC02-030BHW
VC02-040BHW
VC02-045BHW
VC02-050BHW
VC02-060BHW
VC02-080BHW
VC02-100BHW
VC02-120BHW
VC02-160BHW
VC02-200BHW
VC02-240BHW
VC04-010BHW
VC04-015BHW
VC04-020BHW
VC04-025BHW
VC04-030BHW
VC04-040BHW
VC04-045BHW
VC04-050BHW
VC04-060BHW
VC04-080BHW
VC04-100BHW
VC04-120BHW
VC04-160BHW
VC04-200BHW
VC04-240BHW
电话:0512-66051469 传真:0512-66051489 邮箱:2461896109@qq.com
网址: www.ueno-china.com 地址:苏州市吴中区南湖路71号天贸大厦509
版权归111苏州上野机电设备有限公司所有 苏ICP备16035515号-1 技术支持:易动力网络