角溝加工を施すことなく、既設のT溝に挿入し使用できます。必要時のみ挿入でき、抜き差しにて使用可能でリフター機能のない機械への後付けも容易です。
AFU-1625シリーズ
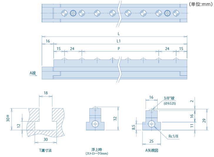
(金型自重又は強制排気にて下降)
掲載されているサイズ以外も製作可能です。詳細はお問い合わせシートにご記入ください。


※T溝深さが30mmより深い場合はAFUにスペーサーを取り付けて高さを調整する必要があります。その際、AFU浮上時にボールがボルスターの上面より2mm飛び出るように調整してください。
スペーサーは各種取り揃えております。

| 型式 | 本体寸法(mm) | 自重(kg) | 空気圧と負荷能力との関係kN(kgf) | データ ダウンロード (DXF/PDF) |
|---|
| L | L1 | P | AFU 1本 |
|---|
| 使用空気圧 MPa(kgf/㎠) |
|---|
0.40 (4.1) | 0.50 (5.1) | 0.60 (6.1) |
|---|
| AFU-1625-200 | 200 | 184 | 5×P21.2=106 | 0.8 | 0.47 (47.9) | 0.59 (60.2) | 0.71 (72.4) | DXFPDF |
| AFU-1625-600 | 600 | 584 | 23×P22=506 | 2.2 | 1.65 (170.3) | 2.06 (210.1) | 2.47 (251.9) | DXFPDF |
苏州上野机电设备有限公司销售型号:
AFU-1625-200 苏州上野 FREEBEAR
AFU-1625-600 苏州上野 FREEBEAR
AFU-3836AL-1 苏州上野 FREEBEAR
AFU-3836AL-2 苏州上野 FREEBEAR
AFU-3836AL-3 苏州上野 FREEBEAR
AFU-3836AL-4 苏州上野 FREEBEAR
AFU-3836AL-5 苏州上野 FREEBEAR
AFU-3836AL-6 苏州上野 FREEBEAR
AFU-3836AL-7 苏州上野 FREEBEAR
AFU-3836AL-8 苏州上野 FREEBEAR
AFU-3836AL-9 苏州上野 FREEBEAR
AFU-3836AL-10 苏州上野 FREEBEAR
AFU-3836AL-11 苏州上野 FREEBEAR
AFU-3836AL-12 苏州上野 FREEBEAR
AFU-3836AL-13 苏州上野 FREEBEAR
AFU-3836AL-14 苏州上野 FREEBEAR
AFU-3836AL-15 苏州上野 FREEBEAR
AFU-3836AL-16 苏州上野 FREEBEAR
AFU-3836AL-17 苏州上野 FREEBEAR
AFU-3836AL-18 苏州上野 FREEBEAR
ARU-1832-325 苏州上野 FREEBEAR
ARU-1832-580 苏州上野 FREEBEAR