电话:0512-66051469
传真:0512-66051489
邮箱:2461896109@qq.com
地址:苏州市吴中区南湖路71号天贸大厦509
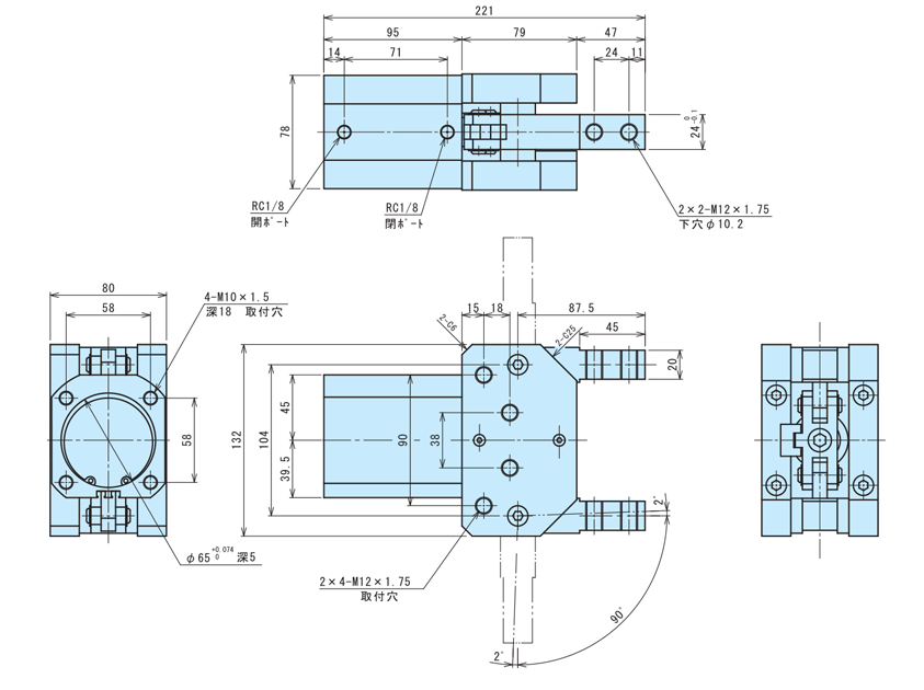
广角180°开闭的KONSEI近藤大夹持力卡爪型号:HJD-63AS1-E24LS1
苏州上野机电设备有限公司询价咨询电话:17895046997 刘先生 同微信

【特長】
・広角180°開閉が可能な大把持力ハンド。
・トグル機構により小型で強い把持力:広角180°開閉でシンプルな動作可能。
・ピストンガイド採用:ピストンの動作フラツキ防止することで繰り返し精度UP。
・直接ピストンに負荷がかからず耐久性UP。
・マスタージョウの外的負荷をガイドが受けるため、剛性UP。
广角180°开闭的KONSEI近藤大夹持力卡爪型号:HJD-63AS1-E24LS1
特点:
可实现广角180°开闭的大夹持力卡爪。
利用肘节机构,小型且夹持力强:广角180°开闭,可简单动作。
采用活塞导向:通过防止活塞的动作波动提高重复精度。
不会直接对活塞施加负荷,提高了耐久性。
由于引导件承受卡爪座的外部负荷,因此刚性提高。

| 型式 | HJD-32AS | HJD-40AS | HJD-50AS1 | HJD-63AS1 |
|---|---|---|---|---|
| 駆動源 | エアー0.3~0.7MPa | |||
| 潤滑 | 無給油またはタービン油1種(ISOVG32) | |||
| 周囲温度 (℃) | 5~60 | |||
| 開き角度 | -4°~184° | |||
| シリンダ径(mm) | φ32 | φ40 | φ50 | φ63 |
| ロッド径(mm) | φ14 | φ16 | φ20 | φ20 |
| 内部容積[往復](cm³/回) | 46.0 | 88.7 | 180.8 | 331.5 |
| 繰り返し精度 (mm) | ±0.1 | |||
| 本体質量 (kg) | 1.03 | 1.58 | 2.67 | 3.97 |

苏州上野机电设备有限公司销售型号如下:
HJD-32AS
HJD-32AS-ET2S1
HJD-32AS-ET2S2
HJD-32AS-ET3S1
HJD-32AS-ET3S2
HJD-40AS
HJD-40AS-ET2S1
HJD-40AS-ET2S2
HJD-40AS-ET3S1
HJD-40AS-ET3S2
HJD-50AS1
HJD-50AS1-E24LS1
HJD-50AS1-E24LS2
HJD-50AS1-E24S1
HJD-50AS1-E24S2
HJD-50AS1-E25LS1
HJD-50AS1-E25LS2
HJD-50AS1-E25S1
HJD-50AS1-E25S2
HJD-50AS1-E40LS1
HJD-50AS1-E40LS2
HJD-50AS1-E40S1
HJD-50AS1-E40S2
HJD-50AS1-E41LS1
HJD-50AS1-E41LS2
HJD-50AS1-E41S1
HJD-50AS1-E41S2
HJD-50AS1-ET2LS1
HJD-50AS1-ET2LS2
HJD-50AS1-ET2S1
HJD-50AS1-ET2S2
HJD-50AS1-ET3LS1
HJD-50AS1-ET3LS2
HJD-50AS1-ET3S1
HJD-50AS1-ET3S2
HJD-63AS1
HJD-63AS1-E24LS1
HJD-63AS1-E24LS2
HJD-63AS1-E24S1
HJD-63AS1-E24S2
HJD-63AS1-E25LS1
HJD-63AS1-E25LS2
HJD-63AS1-E25S1
HJD-63AS1-E25S2
HJD-63AS1-E40LS1
HJD-63AS1-E40LS2
HJD-63AS1-E40S1
HJD-63AS1-E40S2
HJD-63AS1-E41LS1
HJD-63AS1-E41LS2
HJD-63AS1-E41S1
HJD-63AS1-E41S2
HJD-63AS1-ET2LS1
HJD-63AS1-ET2LS2
HJD-63AS1-ET2S1
HJD-63AS1-ET2S2
HJD-63AS1-ET3LS1
HJD-63AS1-ET3LS2
HJD-63AS1-ET3S1
HJD-63AS1-ET3S2
电话:0512-66051469 传真:0512-66051489 邮箱:2461896109@qq.com
网址: www.ueno-china.com 地址:苏州市吴中区南湖路71号天贸大厦509
版权归111苏州上野机电设备有限公司所有 苏ICP备16035515号-1 技术支持:易动力网络