电话:0512-66051469
传真:0512-66051489
邮箱:2461896109@qq.com
地址:苏州市吴中区南湖路71号天贸大厦509

日本机械装置上使用的YUEI-CASTER优越脚轮型号:HG-65GNB-AF
苏州上野机电设备有限公司询价咨询电话:17895046997 刘先生 同微信
特点:
主体部和调整器一体化,固定容易,不需要单独安装调整器。
因为允许负荷很大,所以可以安装在重物上。
用途:
适用于用油较多的机械装置、大型机械的使用。
与以往的脚轮相比,耐负荷优异。

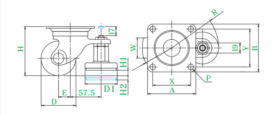
| 型番 | 車輪 | 車輪径 | 車幅 | 取付高 | 取付座 | 取付寸法 | 穴径 | ||
|---|---|---|---|---|---|---|---|---|---|
| D(mm) | W(mm) | H(mm) | A×B(mm) | X×Y(mm) | P(mm) | ||||
| HG-65 | PB | -AF | フェノール(B入)車 | 65 | 38 | 92 | 90×90 | 71×71 | 10.5 |
| GNB | 強化ナイロン(B入)車 | ||||||||
| MC | MCナイロン(B入)車 | ||||||||
| MCE | MCナイロン(B入)車(誘導性) | ||||||||
| AU | アルミホイルウレタン(B入)車 | ||||||||
| HG-75 | PB | -AF | フェノール(B入)車 | 75 | 38 | 106 | 90×90 | 71×71 | 10.5 |
| GNB | 強化ナイロン(B入)車 | ||||||||
| MC | MCナイロン(B入)車 | ||||||||
| MCE | MCナイロン(B入)車(誘導性) | ||||||||
| AU | アルミホイルウレタン(B入)車 | ||||||||
| 型番 | 偏心 | 旋回半径 | アジャスターフット外径 | アジャスト量 | 許容荷重 | 自重 | |||
|---|---|---|---|---|---|---|---|---|---|
| E(mm) | R(mm) | D1(mm) | H1(mm) | H2(mm) | daN(kgf) | (g) | |||
| HG-65 | PB | -AF | 22 | 88 | 60 | 10 | 8 | 300(306.0) | 1,230 |
| GNB | 300(306.0) | 1,175 | |||||||
| MC | 300(306.0) | 1,190 | |||||||
| MCE | 300(306.0) | 1,195 | |||||||
| AU | 300(306.0) | 1,235 | |||||||
| HG-75 | PB | -AF | 22 | 88 | 60 | 15 | 10 | 320(326.4) | 1,330 |
| GNB | 320(326.4) | 1,260 | |||||||
| MC | 320(326.4) | 1,290 | |||||||
| MCE | 320(326.4) | 1,295 | |||||||
| AU | 320(326.4) | 1,345 | |||||||
苏州上野机电设备有限公司销售型号如下:
刘先生 17895046997 同微信
HG-65AU-AF
HG-65GNB-AF
HG-65MC-AF
HG-65MCE-AF
HG-65PB-AF
HG-75AU-AF
HG-75GNB-AF
HG-75MC-AF
HG-75MCE-AF
HG-75PB-AF
G-25BN
G-25EL
G-25N
G-25PC-C
G-25PC-G
G-25PC-R
G-25R
G-25UR
GR-25BN
GR-25EL
GR-25N
GR-25PC-C
GR-25PC-G
GR-25PC-R
GR-25R
GR-25UR
G-32BN
G-32EL
G-32N
G-32R
G-32UR
GR-32BN
GR-32EL
GR-32N
GR-32R
E-40BN-AF
GR-32UR
G-38BN
G-38BNS
G-38EL
G-38ELS
G-38N
G-38NS
G-38PC-C
G-38PC-G
G-38PC-R
G-38PCS-C
G-38PCS-G
G-38PCS-R
G-38R
G-38RS
G-38UR
G-38URS
GR-38BN
GR-38EL
GR-38N
GR-38PC-C
GR-38PC-G
GR-38PC-R
GR-38R
GR-38UR
电话:0512-66051469 传真:0512-66051489 邮箱:2461896109@qq.com
网址: www.ueno-china.com 地址:苏州市吴中区南湖路71号天贸大厦509
版权归111苏州上野机电设备有限公司所有 苏ICP备16035515号-1 技术支持:易动力网络