电话:0512-66051469
传真:0512-66051489
邮箱:2461896109@qq.com
地址:苏州市吴中区南湖路71号天贸大厦509

日本原装进口仓敷化工橡胶弹簧型号:KR65-80
苏州上野机电设备有限公司销售电话:178-9504-6997 刘经理 微信同号
-什么是橡胶弹簧?
.橡胶弹簧是由橡胶和螺旋弹簧组合而成的复合弹簧,与一般的防振橡胶相比,具有柔软的弹簧常数。空气弹簧和防振橡胶的中间特性可以很容易地结合到振动机械。
性能特点:
優れた防振性能
ゴムとコイルばねを組合わせた円筒形の複合ばねの構造により柔らかいばねが得られ、たわみが大きく
取れます。
大きい耐荷重性
金属ばねと特殊合成ゴムの複合ばねのため、座屈することなしに高荷重の負荷性能が得られます。
減衰効果が大きい
高損失係数を持つ特殊合成ゴムの使用により、共振振幅の低減効果に優れます。
防音緩衝効果に優れる
金属ばね単体で使用する場合に見られるサージング現象がなく騒音の発生がありません。また、特殊構造から衝撃吸収性能にも優れます。
耐久性、耐薬品性に優れている
高度の形状設計技術および配合技術によって完成されたものであるため、使用中の機械的劣化および
酸素・オゾン・薬品等での化学的劣化にも極めて優れています。
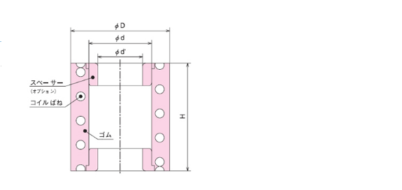
取付けが容易
ラバースプリング内径面にガイドピンを置き、機械を載せることで取付けができます。もし内径が大きすぎる場合にはスペーサーを使用してください。別途で承ります。
関連リンク



| 型號 | 容許載重 N {kgf} | 彈簧係數 N/mm {kgf/cm} | |
| KR54 | -35 | 350 { 36} | 34 { 35} |
| KR65 | -80 | 940 { 96} | 78 { 80} |
| KR70 | -40 | 570 { 58} | 39 { 40} |
| -65 | 1130 { 115} | 64 { 65} | |
| KR85 | -90 | 1300 { 130} | 88 { 90} |
| -100 | 1420 { 145} | 98 {100} | |
| -125 | 1800 { 180} | 123 {125} | |
| KR90 | -100 | 1800 { 180} | 98 {100} |
| -125 | 2210 { 225} | 123 {125} | |
| -150 | 2600 { 270} | 150 {150} | |
| KR120 | -60 | 1600 { 160} | 59 { 60} |
| -90 | 2400 { 240} | 88 { 90} | |
| KR133 | -100 | 3000 { 310} | 98 {100} |
| -125 | 3800 { 390} | 123 {125} | |
| -150 | 4600 { 470} | 150 {150} | |
| KR155 | -150 | 4800 { 490} | 150 {150} |
| -200 | 6400 { 650} | 200 {200} | |
| KR155 | -250-155H | 4500 { 460} | 250 {250} |
| -300-155H | 4900 { 500} | 290 {300} | |
| -360-155H | 6600 { 670} | 350 {360} | |
| KR170 | -450 | 10800 {1100} | 440 {450} |
| KR200 | -200 | 7800 { 800} | 200 {200} |
| -240 | 9400 { 960} | 240 {240} | |
| -285 | 11200 {1440} | 279 {285} | |
| KR240 | -300 | 14100 {1440} | 290 {300} |
| -400 | 18800 {1920} | 390 {400} | |
电话:0512-66051469 传真:0512-66051489 邮箱:2461896109@qq.com
网址: www.ueno-china.com 地址:苏州市吴中区南湖路71号天贸大厦509
版权归111苏州上野机电设备有限公司所有 苏ICP备16035515号-1 技术支持:易动力网络