电话:0512-66051469
传真:0512-66051489
邮箱:2461896109@qq.com
地址:苏州市吴中区南湖路71号天贸大厦509

日本SHOWA昭和電動送風機(耐熱形) 型号:AH-H07HT-L243 3ph 380V
苏州上野机电设备有限公司销售电话:178-9504-6997 刘经理 微信同号
特点及用途:
·与同性能的涡轮风扇相比,噪声低5~7dB,效率高约10%,低噪声型电动风机。
·用于折旧炉、塑料挤出机、糕点机械等。

使用上の注意
【危険場所への設置厳禁】
※ この送風機は防爆構造品ではありません。爆発性雰囲気となる可能性のある場所で運転すると、モータ (電動機)が焼損(焼けて壊れる)した時、周囲のガスが「爆発」して危険です。
【火災・感電事故を避けるために】
※ 送風機の配線は、必ず電気工事の有資格者が電気設備技術基準や内線規程に従い施工してください。
【吸込口の金網取り外し厳禁】
※ 吸込口の金網は絶対に取り外さないでください。また、吸込口・吐出口から、送風機内部へ絶対に手を入れないでください。 手を入れると「指」「手首」を負傷する危険があります。また、異物を入れないでください。異物の巻き込みや、破砕による負傷・送風機の損傷の危険があります。
【分解禁止】
※ モータ部・ケーシング内部は絶対に分解しないでください。不具合や、事故発生の原因となります。
【保管・休止中の保守管理について】
※ 送風機の羽根車回転軸が長期間(3ヵ月以上)止まった状態の場合、保管・休止中の季節・環境によっては、さびが発生するため異常音発生の原因となることがあります。3ヵ月を目安に、試運転を行ってください。
【周囲の雰囲気について】
※ 酸・アルカリなどの腐食性ガスは、送風機の寿命を著しく縮めます。「可燃性・爆発性ガスの発生する可能性のある雰囲気への据え付けは絶対にしないでください。「火災」や「爆発」などの重大事故の危険につながります。」
【吐き出し空気を大気に放出する場合】
※ 吐出口にも、必ず「金網」を取り付けてご使用ください。異物を吸い込んで吐き出された時、事故の危険性があります。
【高温部安全対策のお願い】
※ 耐熱形送風機を【吸込空気温度60℃以上】でご使用の場合、送風機の表面および接続ダクトが高温になり、触れると火傷 をします。必ず柵および金網で囲うなどの安全対策を行ってください。 耐熱形送風機、および接続ダクトの上などに「モノ」を絶対に置かないでください。「火災」発生の原因となります。

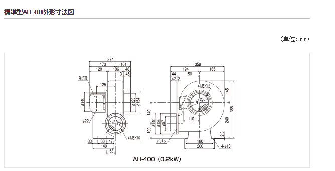
苏州上野机电设备有限公司销售型号:
AH-400-L313
AH-400G-L313
AH-400GHT-L313
AH-400HT-L313
AH-H04-L313
AH-H04-L313U
AH-H04G-L313
AH-H04GHT-L313
AH-H04HT-L313
AH-H04HT-L313U
AH-H07-L313
AH-H07-L313U
AH-H07G-L313
AH-H07GHT-L313
AH-H07HT-L313
AH-H07HT-L313U
AH-H10-L313
AH-H10-L313U
AH-H10G-L313
AH-H10GHT-L313
AH-H10HT-L313
AH-H10HT-L313U
AH-H15-L313
AH-H15-L313U
AH-H15G-L313
AH-H15GHT-L313
AH-H15HT-L313
AH-H15HT-L313U
AH-H22-L313
AH-H22-L313U
AH-H22G-L313
AH-H22GHT-L313
AH-H22HT-L313
AH-H22HT-L313U
AH-H37-L313
AH-H37-L313U
AH-H37G-L313
AH-H37GHT-L313
AH-H37HT-L313
AH-H37HT-L313U
电话:0512-66051469 传真:0512-66051489 邮箱:2461896109@qq.com
网址: www.ueno-china.com 地址:苏州市吴中区南湖路71号天贸大厦509
版权归111苏州上野机电设备有限公司所有 苏ICP备16035515号-1 技术支持:易动力网络