电话:0512-66051469
传真:0512-66051489
邮箱:2461896109@qq.com
地址:苏州市吴中区南湖路71号天贸大厦509
工業用途で最も一般的に使用されているキャスターです。
サイズは75ミリから300ミリ。ゴム・ウレタン・ナイロンなど、さまざまな車輪との組合わせによりバリエーションも豊富です。
ストッパー付キャスターは旋回・車輪を同時に止めるダブルストッパーです。
ゴム車輪は耐熱性に優れた"耐熱性ゴム"や耐油性に優れた"耐油ゴム"、路面に走行跡が残りにくい"グレーゴム"や"導電性ゴム"なども製作可能です。お気軽にお問合せ下さい。

苏州上野机电设备有限公司销售电话:17895046997 QQ: 2461896109 刘经理
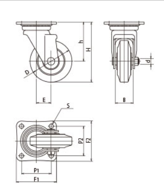
| D | kgf | daN | H | h | B | F1×F2 | P1×P2 | S | E | d |
|---|---|---|---|---|---|---|---|---|---|---|
| 75 | 80 | 78.4 | 101 | 63.5 | 39 | 84×84 | 63×63 | 9.5 | 22 | 10 |
| 100 | 130 | 127.4 | 144 | 94 | 43 | 96×96 | 71×71 | 10.5 | 35 | 12 |
| 130 | 180 | 176.4 | 178 | 113 | 53 | 107×107 | 80×80 | 11.0 | 40 | 20 |
| 150 | 200 | 196.0 | 198 | 123 | 56 | 120×120 | 90×90 | 11.0 | 45 | 20 |
| 180 | 240 | 253.2 | 240 | 150 | 56 | 142×142 | 112×112 | 11.5 | 58 | 20 |
| 200 | 250 | 245.0 | 250 | 150 | 56 | 142×142 | 112×112 | 11.5 | 58 | 20 |
| 250 | 340 | 333.2 | 305 | 180 | 90 | 160×160 | 125×125 | 14.0 | 63 | 25 |
| 300 | 360 | 352.8 | 374 | 224 | 110 | 175×175 | 140×140 | 14.0 | 71 | 25 |


苏州上野机电设备有限公司销售型号:
自在金具付
F・J (橡胶)苏州上野
FX・J (高的弹性橡胶)
FU・J (氨基甲酸乙酯)
UP・J (氨基甲酸乙酯)
PC・J (尼龙)苏州上野
SA・J (橡胶)苏州上野
MCE・J (MCE尼龙)ueno
MCA・J (MC尼龙)ueno
MCB・J (MC尼龙)ueno
固定金具付
F・K (橡胶)苏州上野
FX・K (高的弹性橡胶)
FU・K (氨基甲酸乙酯)
UP・K (氨基甲酸乙酯)
PC・K (尼龙)苏州上野
SA・K (橡胶)苏州上野
MCE・K (MCE尼龙)ueno
MCA・K (MCE尼龙)ueno
MCB・K (MCE尼龙)ueno
自在ストッパー金具付
F・JB (橡胶)苏州上野
FX・JB (高的弹性橡胶)
FU・JB (氨基甲酸乙酯)
UP・JB (氨基甲酸乙酯)
SA・JB (橡胶)苏州上野
苏州上野机电设备有限公司销售型号:
自在金具付
PC・JS (尼龙)苏州上野
UPS・JS (氨基甲酸乙酯)ueno
SA・JS (橡胶)苏州上野
MCE・JS (MCE尼龙)ueno
MCA・JS (MCE尼龙)ueno
MCBS・JS (MCE尼龙)ueno
固定金具付
PC・KS (尼龙)苏州上野
UPS・KS (氨基甲酸乙酯)ueno
SA・KS (橡胶)苏州上野
MCE・KS (MCE尼龙)ueno
MCA・KS (MCE尼龙)ueno
MCBS・KS (MCE尼龙)ueno
自在ストッパー金具付
PC・JSZ (尼龙)苏州上野
UPS・JSZ (氨基甲酸乙酯)ueno
SA・JSZ (橡胶)苏州上野
MCE・JSZ (MCE尼龙)ueno
MCA・JSZ (MCE尼龙)ueno
MCBS・JSZ (MCE尼龙)ueno
苏州上野机电设备有限公司销售型号:
自在金具付
N・JW(尼龙)苏州上野
MCA・JW(MCE尼龙)ueno
MCB・JW(MCE尼龙)ueno
MCB-CD・JW(導電性MC)
NU・JW(氨基甲酸乙酯)
固定金具付
N・KW(尼龙)苏州上野
MCA・KW(MCE尼龙)ueno
MCB・KW(MCE尼龙)ueno
MCB-CD・KW(導電性MC)
NU・KW(氨基甲酸乙酯)
アジャスター付
L-N・JW(尼龙)苏州上野
L-MCA・JW(MCE尼龙)ueno
L-MCB・JW(MCE尼龙)ueno
电话:0512-66051469 传真:0512-66051489 邮箱:2461896109@qq.com
网址: www.ueno-china.com 地址:苏州市吴中区南湖路71号天贸大厦509
版权归111苏州上野机电设备有限公司所有 苏ICP备16035515号-1 技术支持:易动力网络