电话:0512-66051469
传真:0512-66051489
邮箱:2461896109@qq.com
地址:苏州市吴中区南湖路71号天贸大厦509
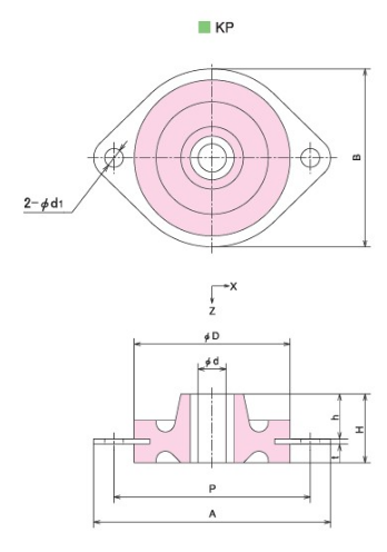
倉敷化工KURASHIKI KAKO防震系列:KP-42 轻载重用
苏州上野机电设备有限公司销售电话:178-9504-6997 刘经理 微信同号

倉敷化工KURASHIKI KAKO輕載重用防震橡膠KP、KQ 系列
.最適合輕型設備的防震
.水平方向的穩定性優越
.使用氯丁二烯橡膠材質

| 型 號 | 支撐載重 N {kgf} | 容許載重 N {kgf} | 彈簧系數Kz N/mm{kgf/cm} | 剛性比 Kx/Kz |
| KP-32 | 20 { 2 } | 25 { 2.5} | 19 { 19} | 2.2 |
| KP-42 | 34 { 3.5} | 49 { 5 } | 24 { 24} | 2.2 |
| KP-57 | 59 { 6 } | 78 { 8 } | 29 { 30} | 2.2 |
| KQ-27 | 25 { 2.5} | 34 { 3.5} | 30 { 31} | 0.4 |
| KQ-38 | 59 { 6 } | 78 { 8 } | 40 { 41} | 0.4 |
| KQ-53 | 140 {14 } | 180 {18 } | 60 { 61} | 0.4 |
| 橡膠材質為硬度45的氯丁二烯橡膠。 | ||||
电话:0512-66051469 传真:0512-66051489 邮箱:2461896109@qq.com
网址: www.ueno-china.com 地址:苏州市吴中区南湖路71号天贸大厦509
版权归111苏州上野机电设备有限公司所有 苏ICP备16035515号-1 技术支持:易动力网络