电话:0512-66051469
传真:0512-66051489
邮箱:2461896109@qq.com
地址:苏州市吴中区南湖路71号天贸大厦509
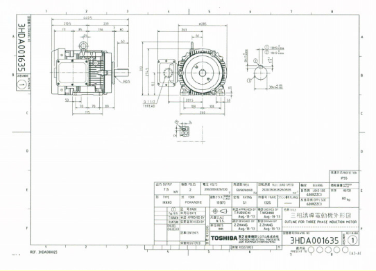
日本TOSHIBA MOTOR东芝马达型号:IKKH3-FCKLA21E-4P-7.5KW 380V 50HZ
苏州上野机电设备有限公司销售电话:178-95046997 刘经理 微信同号

日本TOSHIBA东芝电机具有高强力,高可靠性,长寿命,高效率,低震动小噪音,功能化设计,国际标准设计等特点. 种类有普通防滴保护型,全闭外扇型电机,刹车电机,防爆电机,高效率大功率电机,减速电机及变速电机等,电机功率从0.1KW-90KW,电机极数有2,4,6,8级,产品已通过CCC,GB3等认证。



电话:0512-66051469 传真:0512-66051489 邮箱:2461896109@qq.com
网址: www.ueno-china.com 地址:苏州市吴中区南湖路71号天贸大厦509
版权归111苏州上野机电设备有限公司所有 苏ICP备16035515号-1 技术支持:易动力网络