电话:0512-66051469
传真:0512-66051489
邮箱:2461896109@qq.com
地址:苏州市吴中区南湖路71号天贸大厦509
倉敷化工KURASHIKI KAKO橡膠彈簧KR 系列
.優越的防震性能
.耐負重性大
.衰減效果大
.優越的隔音效果
.優越的耐久性、耐藥性
.安裝容易
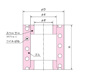
.橡膠彈簧KR 系列

苏州上野咨询电话:178-9504-6997 刘经理 微信同号
KR54 -35 350 { 36} 34 { 35}
KR65-80 940 { 96} 78 { 80}
KR70-40 570 { 58} 39 { 40}
KR70-65 1130 { 115} 64 { 65}
KR85-90 1300 { 130} 88 { 90}
KR85-100 1420 { 145} 98 {100}
KR85-125 1800 { 180} 123 {125}
KR90-100 1800 { 180} 98 {100}
KR90-125 2210 { 225} 123 {125}
KR90-150 2600 { 270} 150 {150}
KR120-60 1600 { 160} 59 { 60}
KR120-90 2400 { 240} 88 { 90}
KR133-100 3000 { 310} 98 {100}
KR133-125 3800 { 390} 123 {125}
KR133-150 4600 { 470} 150 {150}
KR155-150 4800 { 490} 150 {150}
KR155-200 6400 { 650} 200 {200}
KR155-250-155H 4500 { 460} 250 {250}
KR155-300-155H 4900 { 500} 290 {300}
KR155-360-155H 6600 { 670} 350 {360}
KR170-450 10800 {1100} 440 {450}
KR200-200 7800 { 800} 200 {200}
KR200-240 9400 { 960} 240 {240}
KR200-285 11200 {1440} 279 {285}
KR240-300 14100 {1440} 290 {300}
KR240-400

电话:0512-66051469 传真:0512-66051489 邮箱:2461896109@qq.com
网址: www.ueno-china.com 地址:苏州市吴中区南湖路71号天贸大厦509
版权归111苏州上野机电设备有限公司所有 苏ICP备16035515号-1 技术支持:易动力网络