电话:0512-66051469
传真:0512-66051489
邮箱:2461896109@qq.com
地址:苏州市吴中区南湖路71号天贸大厦509
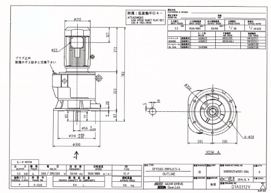
日本原装进口住友减速机型号:TC-F SFV56D 5.5KW 1/30

住友减速机,是由日本住友集团生产。包含各种型号减速机,如住友大型斜齿轮减速箱,住友行星齿轮减速机,住友斜齿轮减速机,住友蜗轮蜗杆减速机等。
苏州上野公司销售电话:178-9504-6997 微信同号 刘经理


电话:0512-66051469 传真:0512-66051489 邮箱:2461896109@qq.com
网址: www.ueno-china.com 地址:苏州市吴中区南湖路71号天贸大厦509
版权归111苏州上野机电设备有限公司所有 苏ICP备16035515号-1 技术支持:易动力网络