电话:0512-66051469
传真:0512-66051489
邮箱:2461896109@qq.com
地址:苏州市吴中区南湖路71号天贸大厦509
日精减速机的优势和分类
日精减速电机的种类根据具体的使用情况渐渐分了很多类别,根据其具体的自身特点,大致划分了一下分类。大致可以分为大功率、同轴式斜、平行轴斜、螺旋锥、YCJ系列五大类减速机。其中的齿轮减速电机一般被称为直流减速电机,因为他是在普通直流电机的基础上,额外加入了配套的齿轮减速箱。
齿轮减速箱的安装主要为减速机降低转速,从而提高力矩。不同的齿轮减速箱为减速机提供的不同的转速和力矩。因此,直流减速电机在自动化行业中的使用率较高。下面,咱们具体看一下其优势:
一、由于采用国际上先进的生产技术,其产品的科技含量较高。
二、直流减速电机在设计上考虑到节省空间的实际问题,其设计简单。
三、在节能方面,直流减速电机用优质的段钢材料、铸铁的箱体、经过高频热处理的齿轮表面等,减速机的效率较高,耗能较低。
四、精度较高地加工,形成了直流减速电机的机电一体化配置,保证了设备的使用质量。
五、系统化、模块化的设计理念使得直流减速电机的适用范围较广泛。
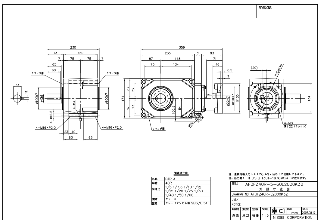
日本日精减速机 AF3FZ40R-10L2000K32
尺寸图片

苏州上野机电设备有限公司销售电话:17895046997 QQ : 2461896109 刘经理
AF3FZ40R-10L2000K32 详细信息:
定格出力トルク [出力軸許容トルク] ※モータ定格回転速度3000r/minを基準 | 47 N・m(4.8 kgf・m) | |
|---|---|---|
起動・停止時ピークトルク | 94 N・m(9.6 kgf・m) | |
瞬時最大許容トルク | - | |
出力軸許容 O.H.L | 3140N(320kgf) | |
内部慣性モーメント[入力軸換算] | 0.0007099kg・㎡ | |
出力軸許容スラスト荷重 | 967N(99kgf) | |
バックラッシ精度 | 30分 | |
定格入力回転速度 | 3000r/min | |
最高入力回転速度 | 3000r/min | |
連続定格入力トルク | 6.4N・m | |
減速機仕様 | 出力軸タイプ/取付 | 同心中実軸 |
枠番および出力軸径 | 40 mm | |
減速比 (実減速比) | 1/10 (1/10) | |
出力軸キー溝の有無 出力軸キー材の有無 | 出力軸キー溝有り 出力軸キー材有り | |
出力軸材質 | 炭素鋼 | |
定格入力モータ容量 ※3000r/min 基準 | 2000W | |
サーボモータ 取付フランジ種別 | K32 | |
苏州上野UENO机电设备有限公司批发型号:
AF3FZ40L-60L2000K32
同心中実軸1/60
AF3FZ40R-5L2000K32
同心中実軸1/5
AF3FZ40R-7.5L2000K32
同心中実軸1/7.5
AF3FZ40R-10L2000K32
同心中実軸1/10
AF3FZ40R-12L2000K32
同心中実軸1/12
AF3FZ40R-15L2000K32
同心中実軸1/15
AF3FZ40R-20L2000K32
同心中実軸
1/20
AF3FZ40R-25L2000K32
同心中実軸1/25
AF3FZ40R-30L2000K32
同心中実軸1/30
AF3FZ40R-40L2000K32
同心中実軸1/40
AF3FZ40R-50L2000K32
同心中実軸1/50
AF3FZ40R-60L2000K32
同心中実軸1/60
AF3FZ40T-5L2000K32
同心中実軸1/5
AF3SZ45-30L2000K32
同心中空軸1/30
AF3SZ45-40L2000K32
同心中空軸1/40
AF3SZ45-50L2000K32
同心中空軸1/50
AF3SZ45-60L2000K32
同心中空軸1/60
AF3FZ40L-5L2000K22
同心中実軸1/5
AF3FZ40L-7.5L2000K22
同心中実軸1/7.5
AF3FZ40L-10L2000K22
同心中実軸1/10
AF3FZ40L-12L2000K22
同心中実軸1/12
AF3FZ40L-15L2000K22
同心中実軸
1/15
AF3FZ40L-20L2000K22
同心中実軸1/20
AF3FZ40L-25L2000K22
同心中実軸1/25
AF3FZ40L-30L2000K22
同心中実軸1/30
AF3FZ40L-40L2000K22
同心中実軸1/40
AF3FZ40L-50L2000K22
同心中実軸1/50
AF3FZ40L-60L2000K22
同心中実軸1/60
AF3FZ40R-5L2000K22
同心中実軸1/5
AF3FZ40R-7.5L2000K22
同心中実軸1/7.5
AF3FZ40R-10L2000K22
同心中実軸1/10
AF3FZ40R-12L2000K22
同心中実軸1/12
AF3FZ40R-15L2000K22
同心中実軸1/15
AF3FZ40R-20L2000K22
同心中実軸1/20
AF3FZ40R-25L2000K22
同心中実軸1/25
AF3FZ40R-30L2000K22
同心中実軸1/30
AF3FZ40R-40L2000K22
同心中実軸1/40
AF3FZ40R-50L2000K22
同心中実軸1/50
AF3FZ40R-60L2000K22
同心中実軸1/60
AF3FZ40T-5L2000K22
同心中実軸1/5
AF3FZ40T-7.5L2000K22
同心中実軸1/7.5
AF3FZ40T-10L2000K22
同心中実軸1/10
AF3FZ40T-12L2000K22
同心中実軸1/12
AF3FZ40T-15L2000K22
同心中実軸1/15
AF3FZ40T-20L2000K22
同心中実軸1/20
AF3FZ40T-25L2000K22
同心中実軸1/25
AF3FZ40T-30L2000K22
同心中実軸1/30
AF3FZ40T-40L2000K22
同心中実軸1/40
AF3FZ40T-50L2000K22
同心中実軸1/50
AF3SZ45-5L2000K22
同心中空軸1/5
AF3SZ45-7.5L2000K22
同心中空軸1/7.5
AF3SZ45-10L2000K22
同心中空軸1/10
AF3SZ45-12L2000K22
同心中空軸1/12
AF3SZ45-15L2000K22
同心中空軸1/15
AF3SZ45-20L2000K22
同心中空軸1/20
AF3SZ45-25L2000K22
同心中空軸1/25
AF3SZ45-30L2000K22
同心中空軸1/30
AF3SZ45-40L2000K22
同心中空軸1/40
AF3SZ45-50L2000K22
同心中空軸1/50
苏州上野UENO机电设备有限公司批发型号:
AF3SZ45-5L2000K32
同心中空軸1/5
AF3SZ45-7.5L2000K32
同心中空軸1/7.5
AF3SZ45-12L2000K32
同心中空軸1/12
AF3SZ45-15L2000K32
同心中空軸1/15
AF3SZ45-20L2000K32
同心中空軸1/20
AF3SZ45-25L2000K32
同心中空軸1/25
AF3FZ40T-60L2000K22
同心中実軸1/60
AF3FZ40L-5L2000K32
同心中実軸1/5
AF3FZ40L-7.5L2000K32
同心中実軸1/7.5
AF3FZ40L-10L2000K32
同心中実軸1/10
AF3FZ40L-12L2000K32
同心中実軸1/12
AF3FZ40L-15L2000K32
同心中実軸1/15
AF3FZ40L-20L2000K32
同心中実軸1/20
AF3FZ40L-25L2000K32
同心中実軸1/25
AF3FZ40L-30L2000K32
同心中実軸1/30
AF3FZ40L-40L2000K32
同心中実軸1/40
AF3FZ40L-50L2000K32
同心中実軸1/50
AF3FZ40T-7.5L2000K32
同心中実軸1/7.5
AF3FZ40T-10L2000K32
同心中実軸1/10
AF3FZ40T-12L2000K32
同心中実軸1/12
AF3FZ40T-15L2000K32
同心中実軸1/15
AF3FZ40T-20L2000K32
同心中実軸1/20
AF3FZ40T-25L2000K32
同心中実軸1/25
AF3FZ40T-30L2000K32
同心中実軸1/30
AF3FZ40T-40L2000K32
同心中実軸1/40
AF3FZ40T-50L2000K32
同心中実軸1/50
AF3FZ40T-60L2000K32
同心中実軸1/60
AH2LZ40L-5L2000K22
同心中実軸1/5
AH2LZ40L-10L2000K22
直交軸1/10
AH2LZ40L-15L2000K22
直交軸1/15
AH2LZ40L-20L2000K22
直交軸1/20
AH2LZ40L-25L2000K22
直交軸1/25
AH2LZ40L-30L2000K22
直交軸1/30
AH2LZ40L-40L2000K22
直交軸1/40
AH2LZ40L-50L2000K22
直交軸1/50
AH2LZ40L-60L2000K22
直交軸1/60
AH2LZ50L-80L2000K22
直交軸1/80
AH2LZ50L-100L2000K22
直交軸1/100
AH2LZ50L-120L2000K22
直交軸1/120
AH2LZ50L-160L2000K22
直交軸1/160
AH2LZ50L-200L2000K22
直交軸1/200
AH2LZ50L-240L2000K22
直交軸1/240
电话:0512-66051469 传真:0512-66051489 邮箱:2461896109@qq.com
网址: www.ueno-china.com 地址:苏州市吴中区南湖路71号天贸大厦509
版权归111苏州上野机电设备有限公司所有 苏ICP备16035515号-1 技术支持:易动力网络