电话:0512-66051469
传真:0512-66051489
邮箱:2461896109@qq.com
地址:苏州市吴中区南湖路71号天贸大厦509

苏州上野公司销售电话:178-9504-6997 刘经理

苏州上野机电设备有限公司销售型号如下:
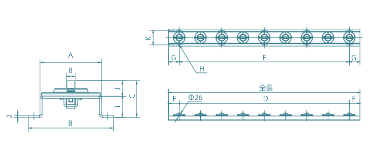
| 型式 | A | B | C | D | E | F | G | H | I | J | 全長 | K | ローラー材質 | 自重 | データ ダウンロード (DXF/PDF) |
|---|---|---|---|---|---|---|---|---|---|---|---|---|---|---|---|
| RU-C6 | 58 | 80 | 34.6 | 100P x 5=500 | 50 | 200P x 2=400 | 100 | φ5.5 | 20 | 14.6 | 600 | 68.5 | スチール | 1.4kg | DXFPDF |
| RU-C9 | 100P x 8=800 | 200P x 4=800 | 50 | 900 | 2.2kg | DXFPDF | |||||||||
| RU-C12 | 100P x 11=1100 | 200P x 5=1000 | 100 | 1200 | 2.9kg | DXFPDF | |||||||||
| RU-C18 | 100P x 17=1700 | 200P x 8=1600 | 100 | 1800 | 4.3kg | DXFPDF | |||||||||
| RU-C9-75 | 75P x 11=825 | 37.5 | 200P x 4=800 | 50 | 900 | 2.6kg | DXFPDF | ||||||||
| RU-C18-75 | 75P x 23=1725 | 200P x 8=1600 | 100 | 1800 | 4.7kg | DXFPDF | |||||||||
| RU-P6 | 100P x 5=500 | 50 | 200P x 2=400 | 100 | 600 | 樹脂 | 1.4kg | DXFPDF | |||||||
| RU-P9 | 100P x 8=800 | 200P x 4=800 | 50 | 900 | 2.0kg | DXFPDF | |||||||||
| RU-P12 | 100P x 11=1100 | 200P x 5=1000 | 100 | 1200 | 2.7kg | DXFPDF | |||||||||
| RU-P18 | 100P x 17=1700 | 200P x 8=1600 | 100 | 1800 | 4.1kg | DXFPDF | |||||||||
| RU-P9-75 | 75P x 11=825 | 37.5 | 200P x 4=800 | 50 | 900 | 2.4kg | DXFPDF | ||||||||
| RU-P18-75 | 75P x 23=1725 | 200P x 8=1600 | 100 | 1800 | 4.5kg | DXF |
RU-C6
RU-C9
RU-C12
RU-C18
RU-C9-75
RU-C18-75
RU-P6
RU-P9
RU-P12
RU-P18
RU-P9-75
RU-P18-75
RU-C6-Pa
RU-C9-Pa
RU-C12-Pa
RU-C18-Pa
RU-C9-75-Pa
RU-C18-75-Pa
RU-P6-Pa
RU-P9-Pa
RU-P12-Pa
RU-P18-Pa
RU-P9-75-Pa
RU-P18-75-Pa
| 型式 | A | B | C | D | E | F | G | H | I | J | 全長 | K | ローラー材質 | 自重 | データ ダウンロード (DXF/PDF) |
|---|---|---|---|---|---|---|---|---|---|---|---|---|---|---|---|
| RU-C6-Pa | 58 | 80 | 34.6 | 100P x 5=500 | 50 | 200P x 2=400 | 100 | φ5.5 | 20 | 14.6 | 600 | 68.5 | スチール | 1.4kg | DXFPDF |
| RU-C9-Pa | 100P x 8=800 | 200P x 4=800 | 50 | 900 | 2.2kg | DXFPDF | |||||||||
| RU-C12-Pa | 100P x 11=1100 | 200P x 5=1000 | 100 | 1200 | 2.9kg | DXFPDF | |||||||||
| RU-C18-Pa | 100P x 17=1700 | 200P x 8=1600 | 100 | 1800 | 4.3kg | DXFPDF | |||||||||
| RU-C9-75-Pa | 75P x 11=825 | 37.5 | 200P x 4=800 | 50 | 900 | 2.6kg | DXFPDF | ||||||||
| RU-C18-75-Pa | 75P x 23=1725 | 200P x 8=1600 | 100 | 1800 | 4.7kg | DXFPDF | |||||||||
| RU-P6-Pa | 100P x 5=500 | 50 | 200P x 2=400 | 100 | 600 | 樹脂 | 1.4kg | DXFPDF | |||||||
| RU-P9-Pa | 100P x 8=800 | 200P x 4=800 | 50 | 900 | 2.0kg | DXFPDF | |||||||||
| RU-P12-Pa | 100P x 11=1100 | 200P x 5=1000 | 100 | 1200 | 2.7kg | DXFPDF | |||||||||
| RU-P18-Pa | 100P x 17=1700 | 200P x 8=1600 | 100 | 1800 | 4.1kg | DXFPDF | |||||||||
| RU-P9-75-Pa | 75P x 11=825 | 37.5 | 200P x 4=800 | 50 | 900 | 2.4kg | DXFPDF | ||||||||
| RU-P18-75-Pa | 75P x 23=1725 | 200P x 8=1600 | 100 | 1800 | 4.5kg | DXFPDF |
电话:0512-66051469 传真:0512-66051489 邮箱:2461896109@qq.com
网址: www.ueno-china.com 地址:苏州市吴中区南湖路71号天贸大厦509
版权归111苏州上野机电设备有限公司所有 苏ICP备16035515号-1 技术支持:易动力网络