电话:0512-66051469
传真:0512-66051489
邮箱:2461896109@qq.com
地址:苏州市吴中区南湖路71号天贸大厦509
日本沃康传感器型号:VC6B-200KN 称重传感器
日本沃康传感器型号:VC6B-200KN 称重传感器
| 定格出力 | 2~2.48mV/V(感度調整なし) |
|---|---|
| 非直線性 | ±1%R.C.(球面受金具使用時)(※1) |
| ヒステリシス | 耐圧硬質プレート使用時:±0.5%R.C. ロードボタン、ペンダルベアリング使用時:±0.3%R.C. 200kNのみ:±0.5%R.C. 球面軸受け金具使用時:±0.5%R.C. |
| 零バランス | ±0.0248mV/V |
| 零点の温度影響 | ±0.05%R.C./10℃ |
| 出力の温度影響 | ±0.1%R.C./10℃ |
| 許容過負荷 | 150%R.C. |
| 静的限界横力 | 耐圧硬質プレート使用時:指定不可 ロードボタン、ベンダルベアリング20% 球面受け金具使用時3% |
| 相対振動応力 | 70% |
| 温度補償範囲 | -10~70℃(結露、氷結不可) |
| 許容温度範囲 | -30~85℃(結露、氷結不可) |
| 保存温度範囲 | -50~85℃(結露、氷結不可) |
| 入力抵抗 | 380~420Ω |
| 出力抵抗 | 280~360Ω |
| 推奨印加電圧 | 5V以下 |
| 印加電圧範囲 | 0.5~20V |
| 絶縁抵抗 | 5GΩ以上 |
| 保護構造 | IP68 相当(注1) |
| ケーブル | φ5.4mm シールド付 6m直結 |
特点:
バリエーション豊かな堅牢タイプ
優れた耐環境性
小型・軽量

苏州上野公司销售电话:1789-5046-997 刘经理

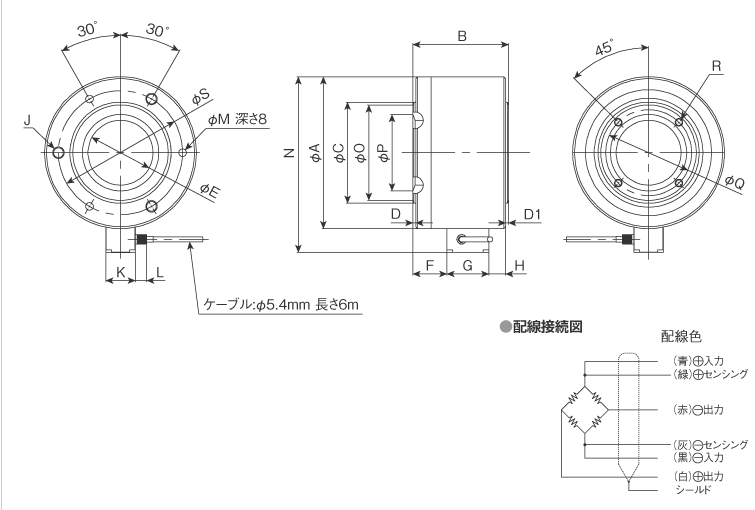
苏州上野公司销售传感器型号如下图 ;
| 選択 | 型式 | 定格容量 | 定格変位量 | 固有振動数 | A | B | C+0.1 | D | D1 | E+0.1 | F |
|---|---|---|---|---|---|---|---|---|---|---|---|
| VC6B-200KN | 200kN | 約0.13mm | 11.6kHz | 80 | 60 | 40.4 | 1 | 1 | 32 | 16.25 | |
| VC6B-500KN | 500kN | 約0.15mm | 14.4kHz | 52 | |||||||
| VC6B-1MN | 1MN | 約0.20mm | 6.1kHz | 159 | 100 | 88 | 2 | 3 | 68 | 35.5 | |
| VC6B-2MN | 2MN | 約0.20mm | 6.9kHz | 106 |
电话:0512-66051469 传真:0512-66051489 邮箱:2461896109@qq.com
网址: www.ueno-china.com 地址:苏州市吴中区南湖路71号天贸大厦509
版权归111苏州上野机电设备有限公司所有 苏ICP备16035515号-1 技术支持:易动力网络