电话:0512-66051469
传真:0512-66051489
邮箱:2461896109@qq.com
地址:苏州市吴中区南湖路71号天贸大厦509
传动能力,效率&成本的高度平衡下以确保高精度和紧凑性。以底脚安装作为基本形,另有实心输出轴·空心输出轴两种。实心轴型最适于联轴器·链轮·皮带的缔丰富的选项以实现设备的紧凑化。
| 系列 | EW·EWM系列 | |
|---|---|---|
| 蜗杆齿轮种类 | 圆柱型蜗杆 | |
| 尺寸 | 小形~中形 | |
| 芯间距80mm~200mm | ||
| 速比 | 一段减速 | 1/10~1/60 |
| 高减速 | 1/100~1/3600 | |
| 扭矩 | 300~5300N·m | |
苏州上野机电设备有限公司销售电话:17895046997 刘经理
| 减 速 部 | 润滑方式 | 油浴方式·注油出货 |
|---|---|---|
| DAPHNE ALPHA OILTE260 | ||
| 键规格 | 新JIS普通 JIS B1301-1976(中实轴部用键一同出货) | |
| 涂装规格 | 蒙塞尔2.5G6/3(绿色) | |
| 清漆类涂料 只用于表层涂装 | ||
| 防锈规格 | 防锈期 室内保管6个月(工厂出厂后) | |
| 外部防锈处理:涂抹防锈脂 内部防锈处理:填充润滑油后密封 | ||
| 周 围 条 件 | 设置场所 | 室内 |
| 环境温度 | -10℃~50℃ | |
| 环境湿度 | 95%以下(无结露) | |
| 高 度 | 海拔1000m以下 | |
| 环 境 | 无腐蚀性及爆炸性气体·蒸气及无结露,尘埃少 | |
| 安装方式 | 自由安装 | |
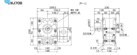
图纸:

苏州上野机电设备有限公司销售型号:
1/10 实心 EWJ70E10L
EWJ70E10R
EWJ70E10LR --- --- --- EWJ70V10LU
EWJ70V10LD
EWJ70V10LUD
EWJ70V10RU
EWJ70V10RD
EWJ70V10RUD ---
中空 --- SWJ70E10LF
SWJ70E10RF --- --- --- ---
1/15 实心 EWJ70E15L
EWJ70E15R
EWJ70E15LR --- --- --- EWJ70V15LU
EWJ70V15LD
EWJ70V15LUD
EWJ70V15RU
EWJ70V15RD
EWJ70V15RUD ---
中空 --- SWJ70E15LF
SWJ70E15RF --- --- --- ---
1/20 实心 EWJ70E20L
EWJ70E20R
EWJ70E20LR --- --- --- EWJ70V20LU
EWJ70V20LD
EWJ70V20LUD
EWJ70V20RU
EWJ70V20RD
EWJ70V20RUD ---
中空 --- SWJ70E20LF
SWJ70E20RF --- --- --- ---
1/25 实心 EWJ70E25L
EWJ70E25R
EWJ70E25LR --- --- --- EWJ70V25LU
EWJ70V25LD
EWJ70V25LUD
EWJ70V25RU
EWJ70V25RD
EWJ70V25RUD ---
中空 --- SWJ70E25LF
SWJ70E25RF --- --- --- ---
1/30 实心 EWJ70E30L
EWJ70E30R
EWJ70E30LR --- --- --- EWJ70V30LU
EWJ70V30LD
EWJ70V30LUD
EWJ70V30RU
EWJ70V30RD
EWJ70V30RUD ---
中空 --- SWJ70E30LF
SWJ70E30RF --- --- --- ---
1/40 实心 EWJ70E40L
EWJ70E40R
EWJ70E40LR --- --- --- EWJ70V40LU
EWJ70V40LD
EWJ70V40LUD
EWJ70V40RU
EWJ70V40RD
EWJ70V40RUD ---
中空 --- SWJ70E40LF
SWJ70E40RF --- --- --- ---
1/50 实心 EWJ70E50L
EWJ70E50R
EWJ70E50LR --- --- --- EWJ70V50LU
EWJ70V50LD
EWJ70V50LUD
EWJ70V50RU
EWJ70V50RD
EWJ70V50RUD ---
中空 --- SWJ70E50LF
SWJ70E50RF --- --- --- ---
1/60 实心 EWJ70E60L
EWJ70E60R
EWJ70E60LR --- --- --- EWJ70V60LU
EWJ70V60LD
EWJ70V60LUD
EWJ70V60RU
EWJ70V60RD
EWJ70V60RUD ---
中空 --- SWJ70E60LF
SWJ70E60RF --- --- --- ---
1/100 实心 --- --- EWJ70B100L-R
EWJ70B100R-L
EWJ70B100L-LR
EWJ70B100R-LR --- EWJ70V100L-RU
EWJ70V100L-RD
EWJ70V100L-RUD
EWJ70V100R-LU
EWJ70V100R-LD
EWJ70V100R-LUD ---
1/150 实心 --- --- EWJ70B150L-R
EWJ70B150R-L
EWJ70B150L-LR
EWJ70B150R-LR --- EWJ70V150L-RU
EWJ70V150L-RD
EWJ70V150L-RUD
EWJ70V150R-LU
EWJ70V150R-LD
EWJ70V150R-LUD ---
1/200 实心 --- --- EWJ70B200L-R
EWJ70B200R-L
EWJ70B200L-LR
EWJ70B200R-LR --- EWJ70V200L-RU
EWJ70V200L-RD
EWJ70V200L-RUD
EWJ70V200R-LU
EWJ70V200R-LD
EWJ70V200R-LUD ---
1/250 实心 --- --- EWJ70B250L-R
EWJ70B250R-L
EWJ70B250L-LR
EWJ70B250R-LR --- EWJ70V250L-RU
EWJ70V250L-RD
EWJ70V250L-RUD
EWJ70V250R-LU
EWJ70V250R-LD
EWJ70V250R-LUD ---
1/300 实心 --- --- EWJ70B300L-R
EWJ70B300R-L
EWJ70B300L-LR
EWJ70B300R-LR --- EWJ70V300L-RU
EWJ70V300L-RD
EWJ70V300L-RUD
EWJ70V300R-LU
EWJ70V300R-LD
EWJ70V300R-LUD ---
1/400 实心 --- --- EWJ70B400L-R
EWJ70B400R-L
EWJ70B400L-LR
EWJ70B400R-LR --- EWJ70V400L-RU
EWJ70V400L-RD
EWJ70V400L-RUD
EWJ70V400R-LU
EWJ70V400R-LD
EWJ70V400R-LUD ---
1/500 实心 --- --- EWJ70B500L-R
EWJ70B500R-L
EWJ70B500L-LR
EWJ70B500R-LR --- EWJ70V500L-RU
EWJ70V500L-RD
EWJ70V500L-RUD
EWJ70V500R-LU
EWJ70V500R-LD
EWJ70V500R-LUD ---
1/600 实心 --- --- EWJ70B600L-R
EWJ70B600R-L
EWJ70B600L-LR
EWJ70B600R-LR --- EWJ70V600L-RU
EWJ70V600L-RD
EWJ70V600L-RUD
EWJ70V600R-LU
EWJ70V600R-LD
EWJ70V600R-LUD ---
1/800 实心 --- --- EWJ70B800L-R
EWJ70B800R-L
EWJ70B800L-LR
EWJ70B800R-LR --- EWJ70V800L-RU
EWJ70V800L-RD
EWJ70V800L-RUD
EWJ70V800R-LU
EWJ70V800R-LD
EWJ70V800R-LUD ---
1/1000 实心 --- --- EWJ70B1000L-R
EWJ70B1000R-L
EWJ70B1000L-LR
EWJ70B1000R-LR --- EWJ70V1000L-RU
EWJ70V1000L-RD
EWJ70V1000L-RUD
EWJ70V1000R-LU
EWJ70V1000R-LD
EWJ70V1000R-LUD ---
1/1200 实心 --- --- EWJ70B1200L-R
EWJ70B1200R-L
EWJ70B1200L-LR
EWJ70B1200R-LR --- EWJ70V1200L-RU
EWJ70V1200L-RD
EWJ70V1200L-RUD
EWJ70V1200R-LU
EWJ70V1200R-LD
EWJ70V1200R-LUD ---
1/1500 实心 --- --- EWJ70B1500L-R
EWJ70B1500R-L
EWJ70B1500L-LR
EWJ70B1500R-LR --- EWJ70V1500L-RU
EWJ70V1500L-RD
EWJ70V1500L-RUD
EWJ70V1500R-LU
EWJ70V1500R-LD
EWJ70V1500R-LUD ---
1/1800 实心 --- --- EWJ70B1800L-R
EWJ70B1800R-L
EWJ70B1800L-LR
EWJ70B1800R-LR --- EWJ70V1800L-RU
EWJ70V1800L-RD
EWJ70V1800L-RUD
EWJ70V1800R-LU
EWJ70V1800R-LD
EWJ70V1800R-LUD ---
1/2400 实心 --- --- EWJ70B2400L-R
EWJ70B2400R-L
EWJ70B2400L-LR
EWJ70B2400R-LR --- EWJ70V2400L-RU
EWJ70V2400L-RD
EWJ70V2400L-RUD
EWJ70V2400R-LU
EWJ70V2400R-LD
EWJ70V2400R-LUD ---
1/3000 实心 --- --- EWJ70B3000L-R
EWJ70B3000R-L
EWJ70B3000L-LR
EWJ70B3000R-LR --- EWJ70V3000L-RU
EWJ70V3000L-RD
EWJ70V3000L-RUD
EWJ70V3000R-LU
EWJ70V3000R-LD
EWJ70V3000R-LUD ---
1/3600 实心 --- --- EWJ70B3600L-R
EWJ70B3600R-L
EWJ70B3600L-LR
EWJ70B3600R-LR --- EWJ70V3600L-RU
EWJ70V3600L-RD
EWJ70V3600L-RUD
EWJ70V3600R-LU
EWJ70V3600R-LD
EWJ70V3600R-LUD
电话:0512-66051469 传真:0512-66051489 邮箱:2461896109@qq.com
网址: www.ueno-china.com 地址:苏州市吴中区南湖路71号天贸大厦509
版权归111苏州上野机电设备有限公司所有 苏ICP备16035515号-1 技术支持:易动力网络