电话:0512-66051469
传真:0512-66051489
邮箱:2461896109@qq.com
地址:苏州市吴中区南湖路71号天贸大厦509

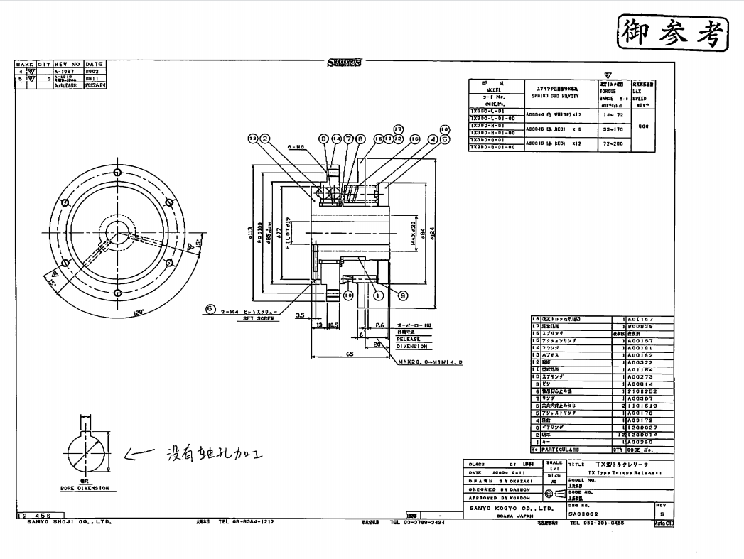
日本Suntes 三阳电磁制动刹车型号TYPE:TX30D-H-01G
苏州上野公司主营日本机械,联 系人 张涛 手机188-9698-4864,微信18896984864。
苏州上野机电设备有限公司是一家日本进口机械机电产品供应商。主要经营日本Suntes 三阳电磁制动器等。SUNTES是
日本三阳商事株式会社(SANYO SHOJI CO LTD)旗下品牌,日本三阳商事株式会社成立于1960年,产品有液压盘式制动
器,气动盘式制动器,夹钳及测试机等系列产品。产品广泛使用于钢铁,造纸及石化等行业.SUNTES三阳商事制动器,作为
日本盘式制动器 ,以制造技术及应对能力,与顾客共同为社会提供安全、安心的商品。使旋转力随心所欲地产生或停止.希
望顺畅地传送动力.或者,希望对异常旋转力加以控制.SUNTES产品群正是能够满足这些需求的动力控制技术的结晶.
SUNTES的技术开发能力,使人们从危险的作业和繁重的工作中被解放,为提高生产力做出贡献。
苏州上野机电设备有限公司是一家专业的日本机械设备及零部件提供商。 全心致力于中国工控产品销售和技术服务,吸取
国外最先进、最尖端的工控产品的技术,以优质的品牌为基础,成熟的渠道,多元化的经营模式为中国的工业自动化高速
发展作出努力和贡献。主要经营Nissei-GTR日精减速机、Freebear共荣滚珠及举模器、TSUBAKI椿本集团旗下产品、
Panasonic松下空气过滤风机FFU、Showa Denki昭和风机、MITSUBISHI三菱减速机及电机、HITACHI日立减速机及电机、
FUJI富士减速机及电机、NIDEC-SHIMPO新宝减速机及电产电机、AOKI青木减速机、Makishinko牧新光减速机、
TOSHIBA东芝电机、Seisa大阪制锁联轴器、Sakai酒井联轴器、NTN等速万向节联轴器、Taiyo-koki太阳工机联轴器、三
好联轴器MIYOSHI、内村脚轮UCHIMURA、冈本脚轮Okamoto、MEIKIKOU升降机、近藤气爪Konsei、三之星薄型皮带
MITSUBOSHI、前田流量计MAEDA KOKI、昭和旋转接头SGK、池内工业喷嘴IKEUCHI、三阳制动器SUNTES、旧大和螺
子螺栓DAIWA、沃康传感器VALCOM、泰拉尔齿轮泵TERAL、易威奇IWAKI磁力泵、E.M.P榎本微型泵等,我们还与其他
日本机械机电厂商建立了良好的代理协作关系,为顾客提供种类繁多价格可靠的众多产品,以及有效地降低了采购和物流成
本。我司每个月平均3趟船从日本神户港运货,有些产品货期比较着急,我司使用DHL,快速清关,这样大大缩短产品的交
货期!公司有丰富现场经验的工程技术人员和广泛的服务网络,能随时为客户提供完善便捷的服务和技术支持。
苏州上野公司张涛主营的型号:
日本Suntes 三阳电磁制动刹车型号TX30D-H-01 也叫扭矩离合器,TX-D型
孔的尺寸要从设备上拆下来测量,拆了后我这台设备就不能生产了,客户加工也可行,
已经把实物照片发给日本工厂确认了,工厂说未加工时型号后面不带G。
G表示内孔尺寸,客户开工,所以出厂省略了这个记号。
日本Suntes 三阳电磁制动刹车型号TX30D-H-01G,净重3公斤。
以上报价包括了轴孔加工费用,下单时还请告知轴孔的加工尺寸。
日本Suntes三阳商事株式会社(SANYO SHOJI CO LTD)扭矩限制器型号:TX30E-H-01G 轴孔30H7 JIS 我司有现货
日本Suntes 三阳 扭矩限制器 型号:TX30D-G-01G
以上报价包括了轴孔加工费用,下单时还请告知轴孔的加工尺寸。
日本Suntes 三阳 扭矩限制器 型号:TX30D-H-01G
以上报价包括了轴孔加工费用,下单时还请告知轴孔的加工尺寸。
日本Suntes 三阳 扭矩限制器 型号:TX30D-L-01G
以上报价包括了轴孔加工费用,下单时还请告知轴孔的加工尺寸。
日本三阳TX型扭矩限制器型号:TX40H-105
订制品,按图纸订货
苏州上野公司张涛批发销售的型号:
TX15B-L,H,G TX20B-L,H,G TX30B-L,H,G TX-40B-L,H,G
TX15D-L,H,G TX20D-L,H,G TX30D-L,H,G TX-40D-L,H,G TX50D-L,H,G
TX15E-L,H,G TX20E-L,H,G TX30E-L,H,G TX40E-L,H,G TX50E-L,H,G TX65E-L,H,G TX85E-L,H,G
TX15R-L,H,G TX20R-L,H,G TX30R-L,H,G TX40R-L,H,G TX50R-L,H,G TX65R-L,H,G TX85R-L,H,G
TY30A-L,H,G TY40A-L,H,G TY50A-L,H,G TY65A-L,H,G TY85A-L,H,G
TY30D-L,H,G TY40D-L,H,G TY50D-L,H,G
TY30AR-L,H,G TY40AR-L,H,G TY50AR-L,H,G TY65AR-L,H,G TY85AR-L,H,G
TV30DW TV40DW TV60DW TV70DW TV80DW TV95DW TV110DW TV120DW TV160DW
TE-1411 TE-1611 TE-2315 TE-2415 TE-2518 TE-2618 TE2721 TE-3322 TE-3425 TE-3628 TE-3631 TE-3833
苏州上野公司张涛批发销售的型号:
日本三阳制动器型号: DB-3002A-2-01 空压剎车器
日本三阳制动器型号: DB-3005A-01
苏州上野公司张涛批发销售的型号:
日本三阳制动器型号:DB-3010A-2
日本三阳制动器型号:DB-3010A-2-01-R
日本三阳制动器型号:DB-2277A RC1/4
日本三阳制动器型号:DB-3277A-01
刹车液用,01没有实质含义,是工厂自己内部的生产编号。
苏州上野公司张涛批发销售的型号:
日本SUNTES三阳液压制动器型号DB-2021SB 2.1/8"R使用介质是制动液
日本SUNTES三阳液压制动器型号DB-3233A-03使用介质是制动液安装方式床置
日本SUNTES三阳气压制动器型号DB3002A-2
日本SUNTES三阳气压制动器型号DB-3004A
日本SUNTES 三阳抱闸电源模块型号: AP-2403-04
日本三阳气动制动器型号:DB-3020A-5-01
日本三阳制动器 空压剎车器 型号: DB-3002A-2-01
苏州上野公司张涛批发销售的型号:
日本SANYO三阳气动制动器型号:DB-3034A-5-01
日本三阳空压剎车器型号:DB-3002A-2-1
三阳制动器 型号:DB3034A-5的刹车片PAD DB-0435-K0A
备注:属于零部件,单独刹车片
日本SUNTES 三阳制动器型号:DB-2021BB-2・1/8R 2个
日本三阳空压剎车器型号:DB-3002A-2-01
日本三阳空压剎车器型号:DB-3002A-2-01
日本三阳空压剎车器型号:DB-3223A-03
苏州上野公司张涛批发销售的型号:
日本SUNTES 三阳制动器型号:DB-2021BB-2・1/8R 2个
日本SUNTES三阳制动器型号DB-3004A
苏州上野公司张涛批发销售的型号:
日本SUNTES三阳商事株式会社 DB-2008 液压制动器
日本SUNTES三阳商事株式会社 DB-2021B 液压制动器
日本SUNTES三阳商事株式会社DB-2021S 液压制动器
日本SUNTES三阳制动器型号DB-3002A-2
日本SUNTES三阳制动器型号DB-3233A-02
日本SUNTES三阳制动器型号DB-2021SK 2.1/8 R
苏州上野公司张涛批发销售的型号:
日本SUNTES三阳气动抱闸型号:DB-3004A三阳制动器
日本SUNTES三阳气动抱闸型号:DB-3002A-2-01
日本三阳离合器型号:TX30B-H-01G
苏州上野公司张涛批发销售的型号:
DB-3004A日本SUNTES三阳商事株式会社DB-3005A,
日本SUNTES三阳商事株式会社DB-3004M
日本SUNTES三阳商事株式会社DB-3005M,
日本SUNTES三阳商事株式会社 DB-3004H
日本SUNTES三阳商事株式会社DB-3005H,
日本SUNTES三阳商事株式会社 DB-3004H-101,
日本SUNTES三阳商事株式会社 DB-3002A-1, DB-3002A-2
日本SUNTES三阳商事株式会社 DB-3003A-1 DB-3003A-2
苏州上野公司张涛批发销售的型号:
刹车器专用刹车片 DB-0433-K01E Brake Pad(2pcs/set)for DB-3010A-5-01 use
配件 DB-0433-K01E Brake Pad(2pcs/set)for DB-3029AF use
刹车片 DB-0433-K01E Disc Pad
刹车片 DB-0433-K01E for DB-3020A-160 1set=2pc
摩擦片 DB-0433-K01E pad kit
刹车片 DB-0433-K01E 用于DB-3012A-4-01USE (2pcs/set)
刹车片 DB-0433-K01E 用于DB-3012A-5-01 USE (2pcs/set)
刹车片 DB-0433-K10E
刹车片 DB-0433-K用于DB3020AF
刹车片 DB-0435-01A
刹车配件 DB-0435-01A+SL1刹车片机架
制动器 DB-0435-K01A
刹车片 DB-0435-K01A for DB-3035AW-45
刹车片 DB-0435-K01A(2PCS/SET)
刹车片 DB-0435-K01A,DB-3034A-132,DB3035-K01A,三个型号通用
刹车装置 DB-0435-K01B (2个1套)
配件 DB-0435-K01B pad(2pcs/set) for:DB-3033A
刹车片 DB-0435-K01B(for DB-3032AF-01B-03)
刹车片 DB-0435-K01B(for DB-3032AF-01B-03) 2片/套
刹车片 DB-0455-K01E pad(2pcs/set) for DB-3038AF-03 use
刹车片 DB-0455-K01E(for DB-3038AF-03)
刹车片 DB-0455-K01E(for DB-3038AF-03) 2片/套
PAAD FOR POSI CLAMPER DB-0484-K01
配件 DB-0484-K01 PAD(2PCS/SET)FOR PC-650Y-01 USE
制动摩擦片 DB-0484K-01 用于PC-650Y-01
苏州上野公司张涛批发销售的型号:
刹车盘 DB-0503E
刹车盘 DB-0503E-01
制动器 DB-0504-01
产品 DB-0504E
制动盘 DB-0504E-01
Disc DB-0511E-01
制动器 DB-0521H
刹车 DB-0521H-01
刹车盘 DB-0523E-01
刹车 DB-0523E-01 (exclude the bore and key-way machining)
制动盘 DB-0533H-01
水冷盘 DB-0533T
水冷盘 DB-0533T-1
油缸 DB-0621-2.1/8B
配件 DB-0621-2.1/8K(1set/2pcs)Cylinder Kit
刹车 DB-0621-2.1/8R CYLINDER KIT
brake DB-0706-01 Seal Kit for DB-2206S-01
制动器 DB-2008
刹车片 DB-2008(B or K)
油压蝶式制动器 DB2008B
制动器 DB-2008B
刹车 DB-2008B HYDRAULID BRAKE USING OIL:VEGITABLE FLUID(V.O)
制动器 DB-2008K
制动器 DB-2008K-01 (等同住友IS8-K-SW)
刹车片 DB-2008用刹车片 (2pcs/set)
苏州上野公司张涛批发销售的型号:
本体 DB-2012B disc thickness:10.4mm use
刹车器 DB-2020A-5-01
DIC Brake DB2021 S MK21
制动器 DB-2021B
摩擦片 DB-2021B 2-1/8"BL-HAND的摩擦片
刹车 DB-2021B 2-1/8″L
刹车 DB-2021B 2-1/8″R
刹车 DB-2021B 2-1/8B R-Hand
制动器 DB-2021B(MK21B)
制动器 DB-2021B-2 1/8B-L
制动器 DB-2021B-2 1/8B-R
制动器 DB-2021B-2.1/8
制动器 DB-2021B2-1/8B
刹车 DB-2021B-21/8R-00
产品 DB-2021BB-1.3/8
刹车器 DB-2021B-B-2.1/8L
制动器 DB-2021BB-2.1/8L
制动器 DB-2021BB-2.1/8R
苏州上野公司张涛批发销售的型号:
修理包 DB-2021BB-2.1/8R用修理包(DB-0621B-2.1/8)
制动器 DB-2021BB-2-1/8R
制动器 DB-2021BK-2.1/8R
制动器 DB-2021BK-2.1/8R Same as Model MK-21B-2 1/8K-R
制动器 DB-2021BK-2·1/8L
本体 DB-2021B气动
制动器 DB-2021S
制动器 DB-2021S 2-1/8 Using Oil:Vegitable Fluid
刹车 DB-2021S 2-1/8″B-L
刹车 DB-2021S 2-1/8″B-R
制动器 DB-2021S P
配件 DB-2021S 用刹车片 一套两片
油压刹车器 DB-2021S-1 3/8
Disc Brake DB-2021S-1·3/8 B or K
制动器 DB-2021S-2 L
制动器 DB-2021S-2 R
刹车 DB-2021S-2.1/8
制动器 DB-2021S-2.1/8K-R/L
刹车器 DB-2021S-2.1/8L 使用刹车油
刹车器 DB-2021S-2.1/8R
刹车器 DB-2021S-2.1/8R 使用刹车油
配件 DB-2021S-2.1/8使用的密封件:DB-2082-2.1/8B
配件 DB-2021S-2.1/8使用的油缸:DB-0621-2.1/8B
制动器 DB-2021SB 2.1/8R
制动器 DB-2021SB-1·3/8
制动器 DB-2021SB-2. 1/8L
制动器 DB-2021SB-2.1/2R
制动器 DB-2021SB-2.1/8L
制动器 DB-2021SB-2.1/8R
制动器 DB-2021SK 2.1/8R
制动器 DB-2021SK***
制动器 DB-2021SK-2.1/8R
制动器用摩擦片 DB2021S用摩擦片
圆盘制动器 DB-202IB-2 1/8B-R
刹车片 DB-2051
制动器 DB-2051 2-5/8"
制动器 DB-2051 3-1/4"
配件 DB-2051 3-1/4用刹车片 一套两片
刹车器 DB2051 B-3.1/4
苏州上野公司张涛批发销售的型号:
制动器 DB-2051-3.1/4
制动器 DB-2051B-2.5/8
刹车器用刹车片 DB2051-DB-0401-K01A
刹车 DB-2051K-3.1/4
制动器 DB-2051K-3·1/4
刹车器用刹车片 DB2051用刹车片DB-0401-K01A
刹车 DB-2082-01 SEAL KIT
密封件 DB-2082-2.1/8B for Disc Brake DB-2021BB-2.1/8
密封 DB-2082-2.1/8K
刹车 DB-2203S-01 MASTER CYLINDER
brake DB-2206S-01 Master Cylinder
苏州上野公司张涛批发销售的型号:
制动器 DB-3002A
刹车 DB-3002A-01
刹车片 DB-3002A-02用刹车片
刹车 DB-3002A-1
制动器 DB-3002A-1/-2
刹车 DB-3002A-1-01
制动器 DB3002A-1-01
刹车器 DB-3002A-109
气刹 DB-3002A-2
刹车 DB3002A-2
苏州上野公司张涛批发销售的型号:
制动器 DB-3002A-2-01
高压蝶式刹车器 DB-3002A-2-01
产品 DB-3002A-2-01气夹上用刹车块
刹车片 DB-3002A-2用
离合器 DB-3002A-Z
气动制动钳 DB-3003A-2
刹车 DB-3003A-2-01
产品 DB-3004-01C
制动器 DB-3004A
产品 DB-3004A.3005A
制动器组 DB-3004A+DB0503
制动器 DB-3004A-01
制动器 DB-3004A-01
制动器组 DB-3004A-01+DB-0503E
制动器 DB-3004H-101
制动器 DB-3004H-110
刹车 DB-3004M
Brake DB-3004M-01
制动器 DB-3004M-01C
制动器 DB-3005A
刹车 DB-3005A-01
苏州上野公司张涛批发销售的型号:
制动器 DB-3005A-1
制动器 DB-3005H-110
刹车器 DB-3005M
刹车 DB-3005M-01
制动器 DB-3005M-1-01-00
制动器 DB-3010A-120R
制动器 DB-3010A-3
制动器 DB-3010A-4
制动器 DB-3010A-4-01
刹车 DB-3010A4-01
配件 DB-3010A-4用气缸
气动制动钳 DB-3010A-5
刹车器 DB-3010A-5-01
制动器 DB-3010A5-01
配件 DB-3010A5-01的气缸
配件 DB-3010A5-01的气缸膜片
制动器 DB-3010A-5-11-00
产品 DB-3010AF
气动刹车器 DB-3010AF-01
制动器 DB-3010AF-02
苏州上野公司张涛批发销售的型号:
制动器 DB-30124
气动盘式制动器 DB-3012A
制动器 DB-3012A-2
制动器 DB-3012A-2-01
制动器 DB-3012A3-01
气动盘式制动器 DB-3012A-4(胶皮碗及刹车来令)
控制器 DB-3012A-4-01
制动器 DB-3012A4-01
膠皮碗 DB-3012A-4-01 用
制动器 DB-3012A-4-1
制动器 DB-3012A-5
气动盘式制动器 DB-3012A-5(胶皮碗及刹车来令)
刹车器 DB-3012A-5-01
膠皮碗 DB-3012A-5-01 用
制动器 DB-3012A-5-1
气动刹车 DB-3020-3
蝶式刹车卡钳 DB3020A
空压蝶式刹车器 DB-3020A
制动器 DB-3020A-120L
刹车器 DB-3020A-138
制动器 DB-3020A-160
苏州上野公司张涛批发销售的型号:
气动刹车 DB-3020A-160(附带刹车片10盒)
配件 DB-3020A-160用刹车片
制动器 DB-3020A-2
制动器 DB-3020A-3-01
隔膜阀 DB-3020A3-01
制动器 DB-3020A-3-01-L
制动器 DB-3020A-3-01-R
制动器 DB-3020A-4-01
制动器 DB-3020A4-01
苏州上野公司张涛批发销售的型号:
制动器 DB-3020A-5
制动器 DB-3020A-5-01
制动器 DB-3020A5-01
刹车 DB3020A-5-01
制动器 DB-3020A-5-01-L
制动器 DB-3020AF-01
盘式制动器 DB3020AF-01
制动器 DB-3020AF-01-L
制动器 DB-3020AF-02
制动器 DB-3020AF-02-L
Brake DB-3029AF
制动器 DB-3029AF-01 Brake
气动抱闸 DB-3029AF-01B
气动抱闸 DB-3029AF-02
苏州上野公司张涛批发销售的型号:
DB-3233A-100 DB-3246A DB-3246A-01 DB-3256A
DB-2334 DB-5244AF DB-2413 DB-2415 DB-5043YF
DB-5045YF DB-3045Y DB-3060Y DB-3055YF
制动器附件 DB-3029AF用执行器
制动器 DB-3030A-5-01
刹车片 DB-3030A-5-01(84X150)
气动抱闸 DB-3032AF-01
苏州上野公司张涛批发销售的型号:
盘式制动器 DB-3033A-01
制动器 DB-3033A101
气动抱闸 DB-3033AF-01
制动器组件 DB-3033AF-01 转速{mpm}1000/1200
气动抱闸 DB-3033AF01B02
气动抱闸 DB-3033AF-01B03
制动器 DB-3033AF-01B-03
制动器 DB-3033AF-01-L
制动器! DB-3033AF-01-R
气动抱闸 DB-3033AF-02
制动器 DB-3033AF-11-L
制动器 DB-3033AF-11-R
AF型气动抱闸 DB-3033AF-12-L
AF型气动抱闸 DB-3033AF-12-L(左)
AF型气动抱闸 DB-3033AF-12-R
AF型气动抱闸 DB-3033AF-12-R(右)
AF型气动抱闸 DB-3033AF-154-L(左)
AF型气动抱闸 DB-3033AF-154-R(右)
苏州上野公司张涛批发销售的型号:
DB-2008 DB-2021-B DB-2021S DB-2051 DB-3002A-1
DB-3002A-2 DB-3003A-1 DB-3003A-2 DB-3004A DB-3005A
DB-3004M DB-3005M DB-3004H DB-3005H DB-3004H-101
苏州上野公司张涛批发销售的型号:
DB-3010AF-01 DB-3010AF-02 DB-3010AF-03 DB-3010AF-04
DB-3010A-2 DB-3010A-132 DB-3010A-3 DB-3010A-4
DB-3010A-5 DB-3012A-2 DB-3012A-3 DB-3012A-4
苏州上野公司张涛批发销售的型号:
DB-3034A-2-01 DB-3034A-3-01 DB-3034A-4-01 DB-3034A-5-01
DB-3035AW-3 DB-3035AW-4 DB-3035AW-5
苏州上野公司张涛批发销售的型号:
DB-3038AF-01 DB-3038AF-02 DB-3038AF-03 DB-3038AF-04
DB-3038A-01 DB-3038A-11 DB-3038A-21
DB-3039A-01 DB-3039A-11 DB-3039A-21
苏州上野公司张涛批发销售的型号:
DB-3020AF
DB-3032AF
DB-3033AF
DB-3038AF
电话:0512-66051469 传真:0512-66051489 邮箱:2461896109@qq.com
网址: www.ueno-china.com 地址:苏州市吴中区南湖路71号天贸大厦509
版权归111苏州上野机电设备有限公司所有 苏ICP备16035515号-1 技术支持:易动力网络