电话:0512-66051469
传真:0512-66051489
邮箱:2461896109@qq.com
地址:苏州市吴中区南湖路71号天贸大厦509
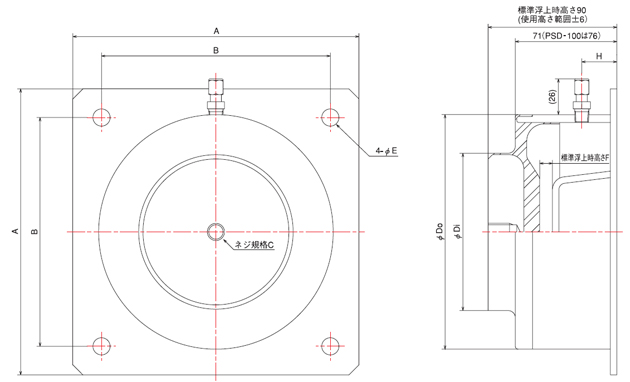
PSD形空气弹簧是一种特殊的空气弹簧,在金属筒体上设有橡胶隔膜,具有优良的防振性能。另外,产品高度低,使用方便,安装、保养也容易的空气弹簧。
主要用途:

苏州上野机电设备有限公司销售电话:17895046997 刘经理

性能和特点:


PSD-100
PSD-200
PSD-400
PSD-600
PSD-1000
PSD-2000
电话:0512-66051469 传真:0512-66051489 邮箱:2461896109@qq.com
网址: www.ueno-china.com 地址:苏州市吴中区南湖路71号天贸大厦509
版权归111苏州上野机电设备有限公司所有 苏ICP备16035515号-1 技术支持:易动力网络