电话:0512-66051469
传真:0512-66051489
邮箱:2461896109@qq.com
地址:苏州市吴中区南湖路71号天贸大厦509

苏州上野机电设备有限公司销售电话:17895046997 刘经理
| 减 速 部 | 润滑方式 | 油浴方式·注油出货 |
|---|---|---|
| DAPHNE ALPHA OILTE260 | ||
| 键规格 | 新JIS普通 JIS B1301-1976(中实轴部用键一同出货) | |
| 涂装规格 | 蒙塞尔2.5G6/3(绿色) | |
| 静电粉末喷涂:环氧聚酯类 | ||
| 防锈规格 | 防锈期 室内保管6个月(工厂出厂后) | |
| 外部防锈处理:涂抹防锈脂 内部防锈处理:填充润滑油后密封 | ||
| 周 围 条 件 | 设置场所 | 室内 |
| 环境温度 | -10℃~50℃ | |
| 环境湿度 | 95%以下(无结露) | |
| 高 度 | 海拔1000m以下 | |
| 环 境 | 无腐蚀性及爆炸性气体·蒸气及无结露,尘埃少 | |
| 安装方式 | 自由安装 | |
| 减速比 | 输入1750 r/min | 输入1450 r/min | 输入1150 r/min | 输入950 r/min | 输入500 r/min | 输入100 r/min | 大概 质量 kg | ||||||||||||
|---|---|---|---|---|---|---|---|---|---|---|---|---|---|---|---|---|---|---|---|
| 输入 kW | 输出扭矩 | 输入 kW | 输出扭矩 | 输入 kW | 输出扭矩 | 输入 kW | 输出扭矩 | 输入 kW | 输出扭矩 | 输入 kW | 输出扭矩 | ||||||||
| N・m | {kgf・m} | N・m | {kgf・m} | N・m | {kgf・m} | N・m | {kgf・m} | N・m | {kgf・m} | N・m | {kgf・m} | ||||||||
| 10 | 3.22 | 161 | 16.4 | 2.98 | 178 | 18.2 | 2.65 | 197 | 20.1 | 2.36 | 211 | 21.6 | 1.36 | 224 | 22.9 | 0.29 | 224 | 22.9 | 11 |
苏州上野机电设备有限公司销售型号:
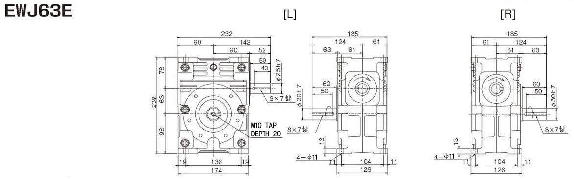
1/10 实心 EWJ63E10L
EWJ63E10R
EWJ63E10LR EWJ63V10LU
EWJ63V10LD
EWJ63V10LUD
EWJ63V10RU
EWJ63V10RD
EWJ63V10RUD
中空 SWJ63E10DF
1/15 实心 EWJ63E15L
EWJ63E15R
EWJ63E15LR EWJ63V15LU
EWJ63V15LD
EWJ63V15LUD
EWJ63V15RU
EWJ63V15RD
EWJ63V15RUD
中空 SWJ63E15DF
1/20 实心 EWJ63E20L
EWJ63E20R
EWJ63E20LR EWJ63V20LU
EWJ63V20LD
EWJ63V20LUD
EWJ63V20RU
EWJ63V20RD
EWJ63V20RUD
中空 SWJ63E20DF
1/25 实心 EWJ63E25L
EWJ63E25R
EWJ63E25LR EWJ63V25LU
EWJ63V25LD
EWJ63V25LUD
EWJ63V25RU
EWJ63V25RD
EWJ63V25RUD
中空 SWJ63E25DF
1/30 实心 EWJ63E30L
EWJ63E30R
EWJ63E30LR EWJ63V30LU
EWJ63V30LD
EWJ63V30LUD
EWJ63V30RU
EWJ63V30RD
EWJ63V30RUD
中空 SWJ63E30DF
1/40 实心 EWJ63E40L
EWJ63E40R
EWJ63E40LR EWJ63V40LU
EWJ63V40LD
EWJ63V40LUD
EWJ63V40RU
EWJ63V40RD
EWJ63V40RUD
中空 SWJ63E40DF
1/50 实心 EWJ63E50L
EWJ63E50R
EWJ63E50LR EWJ63V50LU
EWJ63V50LD
EWJ63V50LUD
EWJ63V50RU
EWJ63V50RD
EWJ63V50RUD
中空 SWJ63E50DF
1/60 实心 EWJ63E60L
EWJ63E60R
EWJ63E60LR EWJ63V60LU
EWJ63V60LD
EWJ63V60LUD
EWJ63V60RU
EWJ63V60RD
EWJ63V60RUD
中空 SWJ63E60DF
1/100 实心 EWJ63T100L-R
EWJ63T100R-L
EWJ63T100L-LR
EWJ63T100R-LR EWJ63V100L-RU
EWJ63V100L-RD
EWJ63V100L-RUD
EWJ63V100R-LU
EWJ63V100R-LD
EWJ63V100R-LUD
1/150 实心 EWJ63T150L-R
EWJ63T150R-L
EWJ63T150L-LR
EWJ63T150R-LR EWJ63V150L-RU
EWJ63V150L-RD
EWJ63V150L-RUD
EWJ63V150R-LU
EWJ63V150R-LD
EWJ63V150R-LUD
1/200 实心 EWJ63T200L-R
EWJ63T200R-L
EWJ63T200L-LR
EWJ63T200R-LR EWJ63V200L-RU
EWJ63V200L-RD
EWJ63V200L-RUD
EWJ63V200R-LU
EWJ63V200R-LD
EWJ63V200R-LUD
1/250 实心 EWJ63T250L-R
EWJ63T250R-L
EWJ63T250L-LR
EWJ63T250R-LR EWJ63V250L-RU
EWJ63V250L-RD
EWJ63V250L-RUD
EWJ63V250R-LU
EWJ63V250R-LD
EWJ63V250R-LUD
1/300 实心 EWJ63T300L-R
EWJ63T300R-L
EWJ63T300L-LR
EWJ63T300R-LR EWJ63V300L-RU
EWJ63V300L-RD
EWJ63V300L-RUD
EWJ63V300R-LU
EWJ63V300R-LD
EWJ63V300R-LUD
1/400 实心 EWJ63T400L-R
EWJ63T400R-L
EWJ63T400L-LR
EWJ63T400R-LR EWJ63V400L-RU
EWJ63V400L-RD
EWJ63V400L-RUD
EWJ63V400R-LU
EWJ63V400R-LD
EWJ63V400R-LUD
1/500 实心 EWJ63T500L-R
EWJ63T500R-L
EWJ63T500L-LR
EWJ63T500R-LR EWJ63V500L-RU
EWJ63V500L-RD
EWJ63V500L-RUD
EWJ63V500R-LU
EWJ63V500R-LD
EWJ63V500R-LUD
1/600 实心 EWJ63T600L-R
EWJ63T600R-L
EWJ63T600L-LR
EWJ63T600R-LR EWJ63V600L-RU
EWJ63V600L-RD
EWJ63V600L-RUD
EWJ63V600R-LU
EWJ63V600R-LD
EWJ63V600R-LUD
1/800 实心 EWJ63T800L-R
EWJ63T800R-L
EWJ63T800L-LR
EWJ63T800R-LR EWJ63V800L-RU
EWJ63V800L-RD
EWJ63V800L-RUD
EWJ63V800R-LU
EWJ63V800R-LD
EWJ63V800R-LUD
1/1000 实心 EWJ63T1000L-R
EWJ63T1000R-L
EWJ63T1000L-LR
EWJ63T1000R-LR EWJ63V1000L-RU
EWJ63V1000L-RD
EWJ63V1000L-RUD
EWJ63V1000R-LU
EWJ63V1000R-LD
EWJ63V1000R-LUD
1/1200 实心 EWJ63T1200L-R
EWJ63T1200R-L
EWJ63T1200L-LR
EWJ63T1200R-LR EWJ63V1200L-RU
EWJ63V1200L-RD
EWJ63V1200L-RUD
EWJ63V1200R-LU
EWJ63V1200R-LD
EWJ63V1200R-LUD
1/1500 实心 EWJ63T1500L-R
EWJ63T1500R-L
EWJ63T1500L-LR
EWJ63T1500R-LR EWJ63V1500L-RU
EWJ63V1500L-RD
EWJ63V1500L-RUD
EWJ63V1500R-LU
EWJ63V1500R-LD
EWJ63V1500R-LUD
1/1800 实心 EWJ63T1800L-R
EWJ63T1800R-L
EWJ63T1800L-LR
EWJ63T1800R-LR EWJ63V1800L-RU
EWJ63V1800L-RD
EWJ63V1800L-RUD
EWJ63V1800R-LU
EWJ63V1800R-LD
EWJ63V1800R-LUD
1/2400 实心 EWJ63T2400L-R
EWJ63T2400R-L
EWJ63T2400L-LR
EWJ63T2400R-LR EWJ63V2400L-RU
EWJ63V2400L-RD
EWJ63V2400L-RUD
EWJ63V2400R-LU
EWJ63V2400R-LD
EWJ63V2400R-LUD
1/3000 实心 EWJ63T3000L-R
EWJ63T3000R-L
EWJ63T3000L-LR
EWJ63T3000R-LR EWJ63V3000L-RU
EWJ63V3000L-RD
EWJ63V3000L-RUD
EWJ63V3000R-LU
EWJ63V3000R-LD
EWJ63V3000R-LUD
1/3600 实心 EWJ63T3600L-R
EWJ63T3600R-L
EWJ63T3600L-LR
EWJ63T3600R-LR EWJ63V3600L-RU
EWJ63V3600L-RD
EWJ63V3600L-RUD
EWJ63V3600R-LU
EWJ63V3600R-LD
EWJ63V3600R-LUD
电话:0512-66051469 传真:0512-66051489 邮箱:2461896109@qq.com
网址: www.ueno-china.com 地址:苏州市吴中区南湖路71号天贸大厦509
版权归111苏州上野机电设备有限公司所有 苏ICP备16035515号-1 技术支持:易动力网络