电话:0512-66051469
传真:0512-66051489
邮箱:2461896109@qq.com
地址:苏州市吴中区南湖路71号天贸大厦509

苏州上野机电设备有限公司销售电话:17895046997 刘经理
规格】
| 型号 | 尺寸 | 动摩擦转矩Td[N•m] | 线圈(20℃时) | 导线 | 耐热等级 | 最高转速[min-1] | 旋转部分转动惯量 J | 允许连接做功Eeaℓ[J] | 空隙再调整之前的总做功ET[J] | 电枢吸引时间ta[s] | 转矩上升时间tp[s] | 转矩消失时间td[s] | 质量[kg] | |||||
|---|---|---|---|---|---|---|---|---|---|---|---|---|---|---|---|---|---|---|
| 电压[V] | 功率[W] | 电流[A] | 电阻[Ω] | UL 样式 | 尺寸 | 电枢[kg・m2] | 转子[kg・m2] | |||||||||||
| 102-02-13 | 2 | 0.4 | DC24 | 6 | 0.25 | 96 | UL3398 | AWG26 | B | 10000 | 6.75×10-7 | 2.45×10-6 | 1500 | 2×106 | 0.009 | 0.019 | 0.017 | 0.075 |
| 102-02-15 | 2 | 0.4 | DC24 | 6 | 0.25 | 96 | UL3398 | AWG26 | B | 500 | 1.00×10-6 | 2.45×10-6 | 1500 | 2×106 | 0.009 | 0.019 | 0.017 | 0.081 |
| 102-02-11 | 2 | 0.4 | DC24 | 6 | 0.25 | 96 | UL3398 | AWG26 | B | 10000 | 1.00×10-6 | 2.45×10-6 | 1500 | 2×106 | 0.009 | 0.019 | 0.017 | 0.079 |
| 102-03-13 | 3 | 0.6 | DC24 | 6 | 0.25 | 96 | UL3398 | AWG26 | B | 10000 | 1.30×10-6 | 3.25×10-6 | 2300 | 3×106 | 0.009 | 0.022 | 0.02 | 0.096 |
| 102-03-15 | 3 | 0.6 | DC24 | 6 | 0.25 | 96 | UL3398 | AWG26 | B | 500 | 1.95×10-6 | 3.25×10-6 | 2300 | 3×106 | 0.009 | 0.022 | 0.02 | 0.105 |
| 102-03-11 | 3 | 0.6 | DC24 | 6 | 0.25 | 96 | UL3398 | AWG26 | B | 10000 | 1.95×10-6 | 3.25×10-6 | 2300 | 3×106 | 0.009 | 0.022 | 0.02 | 0.103 |
| 102-04-13 | 4 | 1.2 | DC24 | 8 | 0.33 | 72 | UL3398 | AWG26 | B | 10000 | 4.38×10-6 | 1.41×10-5 | 4500 | 6×106 | 0.011 | 0.028 | 0.03 | 0.178 |
| 102-04-15 | 4 | 1.2 | DC24 | 8 | 0.33 | 72 | UL3398 | AWG26 | B | 500 | 6.15×10-6 | 1.41×10-5 | 4500 | 6×106 | 0.011 | 0.028 | 0.03 | 0.195 |
| 102-04-11 | 4 | 1.2 | DC24 | 8 | 0.33 | 72 | UL3398 | AWG26 | B | 10000 | 6.15×10-6 | 1.41×10-5 | 4500 | 6×106 | 0.011 | 0.028 | 0.03 | 0.191 |
| 102-05-13 | 5 | 2.4 | DC24 | 10 | 0.42 | 58 | UL3398 | AWG22 | B | 10000 | 9.08×10-6 | 3.15×10-5 | 9000 | 9×106 | 0.012 | 0.031 | 0.04 | 0.31 |
| 102-05-15 | 5 | 2.4 | DC24 | 10 | 0.42 | 58 | UL3398 | AWG22 | B | 500 | 1.38×10-5 | 3.15×10-5 | 9000 | 9×106 | 0.012 | 0.031 | 0.04 | 0.335 |
| 102-05-11 | 5 | 2.4 | DC24 | 10 | 0.42 | 58 | UL3398 | AWG22 | B | 10000 | 1.38×10-5 | 3.15×10-5 | 9000 | 9×106 | 0.012 | 0.031 | 0.04 | 0.325 |
※动摩擦转矩Td为相对速度100min-1时的数值。
※旋转部分转动惯量及质量为最大孔径时的数值。
※请将电源电压变动控制在线圈电压±10%以内。另外,请注意不要使通电率超过80%。

苏州上野机电设备有限公司销售型号:
离合器刹车器组合
125-08-12
125-05-12
125-06-12
125-10-12
125-12-12
125-16-12
125-20-12
三木MIKIPULLEY双离合刹车组合
122-20
MIKI PULLEY电磁离合器
101-06-13
101-08-13
101-10-13
101-12-13
101-16-13
101-20-13
101-06-11
101-08-11
101-10-11
101-12-11
101-16-11
101-20-11
101-06-15
101-08-15
101-10-15
101-12-15
101-16-15
101-20-15
三木MIKI PULLEY电磁刹车器制动器
111-06-13
111-08-13
111-10-13
111-12-13
111-16-13
111-20-13
111-06-11
111-08-11
111-10-11
111-12-11
111-16-11
111-20-11
111-06-12
111-08-12
111-10-12
111-12-12
111-16-12
111-20-12
三木MIKI PULLEY
电磁离合器轴承固定型
CS-06-33
CS-08-33
CS-10-33
CS-12-33
CS-16-33
CS-20-33
CS-06-35
CS-08-35
CS-10-35
CS-12-35
CS-16-35
CS-20-35
CS-06-31
CS-08-31
CS-10-31
CS-12-31
CS-16-31
CS-20-31
三木MIKI PULLEY双离合器.刹车组合121-20
小电磁离合器.法兰固定型
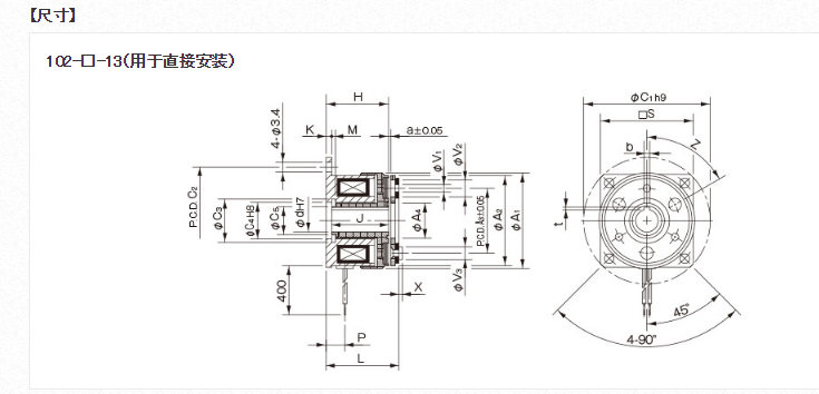
102-02-13
102-03-13
102-04-13
102-05-13
102-02-11
102-03-11
102-04-11
102-05-11
102-02-15
102-03-15
102-04-15
102-05-15
苏州上野机电设备有限公司销售型号:
离合器刹车器组合
125-08-12
125-05-12
125-06-12
125-10-12
125-12-12
125-16-12
125-20-12
三木MIKIPULLEY双离合刹车组合
122-20
MIKI PULLEY电磁离合器
101-06-13
101-08-13
101-10-13
101-12-13
101-16-13
101-20-13
101-06-11
101-08-11
101-10-11
101-12-11
101-16-11
101-20-11
101-06-15
101-08-15
101-10-15
101-12-15
101-16-15
101-20-15
三木MIKI PULLEY电磁刹车器制动器
111-06-13
111-08-13
111-10-13
111-12-13
111-16-13
111-20-13
111-06-11
111-08-11
111-10-11
111-12-11
111-16-11
111-20-11
111-06-12
111-08-12
111-10-12
111-12-12
111-16-12
111-20-12
三木MIKI PULLEY
电磁离合器轴承固定型
CS-06-33
CS-08-33
CS-10-33
CS-12-33
CS-16-33
CS-20-33
CS-06-35
CS-08-35
CS-10-35
CS-12-35
CS-16-35
CS-20-35
CS-06-31
CS-08-31
CS-10-31
CS-12-31
CS-16-31
CS-20-31
三木MIKI PULLEY双离合器.刹车组合121-20
小电磁离合器.法兰固定型
102-02-13
102-03-13
102-04-13
102-05-13
102-02-11
102-03-11
102-04-11
102-05-11
102-02-15
102-03-15
102-04-15
102-05-15
电话:0512-66051469 传真:0512-66051489 邮箱:2461896109@qq.com
网址: www.ueno-china.com 地址:苏州市吴中区南湖路71号天贸大厦509
版权归111苏州上野机电设备有限公司所有 苏ICP备16035515号-1 技术支持:易动力网络